● Padrão: IEC60898-1
● Tipo de viagem: Termomagnética
● Corrente nominal: 63~100A
● Tensão nominal: 230/400V~240/415V
● Número de pólos: 1P,2P,3P,4P,1P+N,3P+N
● Capacidade de interrupção de curto-circuito nominal: 6kA
● Curva de disparo: C, D
● Temperatura do ar ambiente: -25...+40 ºC
● Conexão: De cima para baixo
● Certificados: CE, CB
EKM3-100 é um produto de disjuntor miniatura de alta corrente de 6kA. O disjuntor tem as características de estrutura avançada, desempenho confiável e bela aparência. É usado principalmente para CA 50Hz ou 60Hz, tensão nominal de 400V ou menos e corrente de trabalho nominal de 100A ou menos. É usado para proteção contra sobrecarga e curto-circuito de iluminação, linhas de distribuição, equipamentos em edifícios de escritórios, edifícios residenciais e etc. Também pode ser usado para operações liga-desliga pouco frequentes e conversão de linhas.
| Padrão | IEC/EN60898-1 | |
| Proteção | Sobrecorrente e curto-circuito | |
| Tipo de viagem | Termomagnético | |
| Poloneses | 1P,1P+N,2P,3P,3P+N,4P | |
| Corrente nominal em | 63,80,100A | |
| Tensão nominal Ue | 240/415 V | |
| Tensão de isolamento Ui | 500 V | |
| Frequência nominal | 50/60Hz | |
| Capacidade de interrupção nominal | 6.000 A | |
| Tensão de impulso suportável nominal (1,2/50) Uimp | 4.000 V | |
| Tensão de teste dielétrico em frequência ind. por 1 min | 2kV | |
| Característica de liberação térmica | (1,13-1,45) x Em | |
| Característica de liberação termomagnética | C: (5-10) x pol., D: (10-20) x pol. | |
| Vida elétrica | 4.000 ciclos | |
| Vida mecânica | 10.000 ciclos | |
| Indicador de posição de contato | Sim | |
| Grau de proteção | IP20 | |
| Temperatura ambiente (com média diária ≤35℃) | -5℃~+40℃, Máx.95% de umidade | |
| Tipo de conexão do terminal | Barramento tipo cabo/pino | |
| Tipo de conexão do terminal | 50 mm 2 | |
| Torque de aperto máx. | 3,5 Nm | |
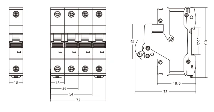
| Montagem | Montagem em trilho DIN de 35 mm | |
| Conexão | De cima para baixo | |


| Disjuntor EKM3-100 6KA (IEC/EN60898-1) | |||
| Polacos | Corrente nominal(A) | Curva C | Curva D |
| 1P | 63A | EKM3-100-1C63 | EKM3-100-1D63 |
| 80A | EKM3-100-1C80 | EKM3-100-1D80 | |
| 100A | EKM3-100-1C100 | EKM3-100-1D100 | |
| 2P | 63A | EKM3-100-2C63 | EKM3-100-2D63 |
| 80A | EKM3-100-2C80 | EKM3-100-2D80 | |
| 100A | EKM3-100-2C100 | EKM3-100-2D100 | |
| 3P | 63A | EKM3-100-3C63 | EKM3-100-3D63 |
| 80A | EKM3-100-3C80 | EKM3-100-3D80 | |
| 100A | EKM3-100-3C100 | EKM3-100-3D100 | |
| 4P | 63A | EKM3-100-4C63 | EKM3-100-4D63 |
| 80A | EKM3-100-4C80 | EKM3-100-4D80 | |
| 100A | EKM3-100-4C100 | EKM3-100-4D100 | |
