

Um relé de corrente é um tipo de interruptor eletromagnético usado como parte dos sistemas de controle para equipamentos elétricos. Esses relés são comumente usados como sensores (sensores de corrente/relés de monitoramento) para monitorar o fluxo de corrente dentro de equipamentos industriais e outros equipamentos sensíveis à segurança. Esses equipamentos utilizam relés de corrente para evitar mau funcionamento devido a quantidades excessivas ou insuficientes de corrente elétrica (“sobrecorrente” e “subcorrente”, respectivamente).
Se muita corrente fluir por uma máquina equipada com um relé de corrente, o relé será ativado, desligando ou alterando de outra forma a quantidade de energia permitida a fluir pelo circuito ou circuitos aos quais o relé está conectado. Isso reduz a quantidade de corrente permitida a se mover pelo sistema. A mesma funcionalidade pode ser fornecida a máquinas ou outros aparelhos elétricos para evitar danos devido à subcorrente.
Os relés de corrente podem ser usados para configurações CA e CC, e sua capacidade de evitar falhas de equipamento devido a sobrecorrente e subcorrente os torna um controle de risco eficaz em locais de trabalho onde um mau funcionamento do equipamento pode causar ferimentos.



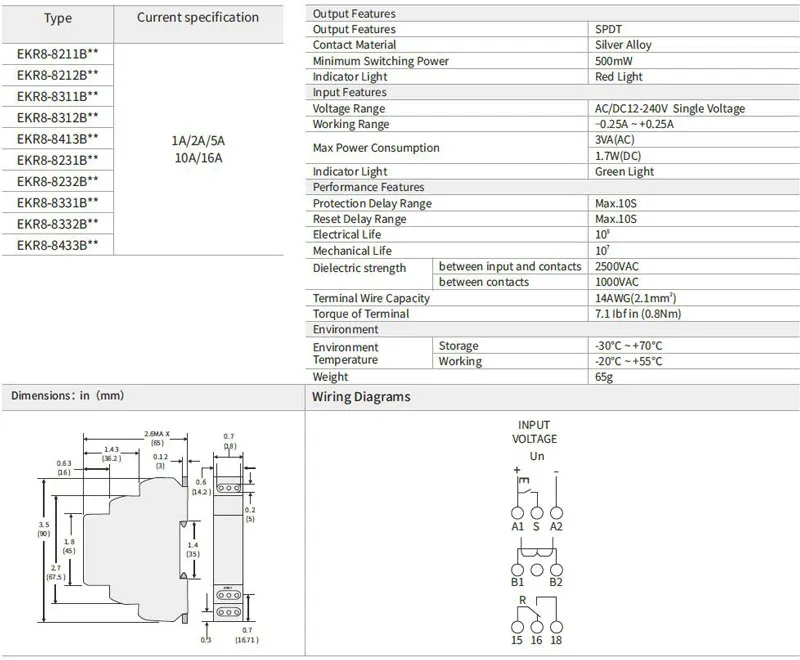
Diagrama de fiação

|
EKR8-8111A01 |
Relé de proteção atual 1 botão W=18 Proteção de sobrecorrente NO 1A |
|
EKR8-8111A02 |
Relé de proteção atual 1 botão W=18 Proteção supercorrente NO 2A |
|
EKR8-8111A05 |
Relé de proteção atual 1 botão W=18 Proteção de sobrecorrente NO 5A |
|
EKR8-8111A10 |
Relé de proteção atual 1 botão W=18 Proteção de sobrecorrente NO 10A |
|
EKR8-8111A16 |
Relé de proteção atual 1 botão W=18 Proteção de sobrecorrente NO 16A |
|
EKR8-8112A01 |
Relé de proteção atual 1 botão W=18 Proteção subcorrente NO 1A |
|
EKR8-8112A02 |
Relé de proteção atual 1 botão W=18 Proteção subcorrente NO 2A |
|
EKR8-8112A05 |
Relé de proteção atual 1 botão W=18 Proteção subcorrente NO 5A |
|
EKR8-8112A10 |
Relé de proteção atual 1 botão W=18 Proteção subcorrente NO 10A |
|
EKR8-8112A16 |
Relé de proteção atual 1 botão W=18 Proteção subcorrente NO 16A |
|
EKR8-8211A01 |
Relé de proteção atual 2 botão W=18 Proteção supercorrente NO 1A |
|
EKR8-8211A02 |
Relé de proteção atual 2 botão W=18 Proteção supercorrente NO 2A |
|
EKR8-8211A05 |
Relé de proteção atual 2 botão W=18 Proteção supercorrente NO 5A |
|
EKR8-8211A10 |
Relé de proteção atual 2 botão W=18 Proteção supercorrente NO 10A |
|
EKR8-8211A16 |
Relé de proteção atual 2 botão W=18 Proteção supercorrente NO 16A |
|
EKR8-8212A01 |
Relé de proteção atual 2 botão W=18 Proteção subcorrente NO 1A |
|
EKR8-8212A02 |
Relé de proteção atual 2 botão W=18 Proteção subcorrente NO 2A |
|
EKR8-8212A05 |
Relé de proteção atual 2 botão W=18 Proteção subcorrente NO 5A |
|
EKR8-8212A10 |
Relé de proteção atual 2 botão W=18 Proteção subcorrente NO 10A |
|
EKR8-8212A16 |
Relé de proteção atual 2 botão W=18 Proteção subcorrente NO 16A |
|
EKR8-8311A01 |
Relé de proteção atual 3 botão W=18 Proteção supercorrente NO 1A |
|
EKR8-8311A02 |
Relé de proteção atual 3 botão W=18 Proteção supercorrente NO 2A |
|
EKR8-8311A05 |
Relé de proteção atual 3 botão W=18 Proteção supercorrente NO 5A |
|
EKR8-8311A10 |
Relé de proteção atual 3 botão W=18 Proteção supercorrente NO 10A |
|
EKR8-8311A16 |
Relé de proteção atual 3 botão W=18 Proteção supercorrente NO 16A |
|
EKR8-8312A01 |
Relé de proteção atual 3 botão W=18 Proteção subcorrente NO 1A |
|
EKR8-8312A02 |
Relé de proteção atual 3 botão W=18 Proteção subcorrente NO 2A |
|
EKR8-8312A05 |
Relé de proteção atual 3 botão W=18 Proteção subcorrente NO 5A |
|
EKR8-8312A10 |
Relé de proteção atual 3 botão W=18 Proteção subcorrente NO 10A |
|
EKR8-8312A16 |
Relé de proteção atual 3 botão W=18 Proteção subcorrente NO 16A |
|
EKR8-8413A01 |
Relé de proteção atual 4 botão W=18 Proteção atual/under atual NO 1A |
|
EKR8-8413A02 |
Relé de proteção atual 4 botão W = 18 Proteção atual/under atual NO 2A |
|
EKR8-8413A05 |
Relé de proteção atual 4 botão W=18 Proteção atual/under atual NO 5A |
|
EKR8-8413A10 |
Relé de Proteção Atual 4 botão W=18 Proteção Actual acima/Sub NO 10A |
|
EKR8-8413A16 |
Relé de Proteção Atual 4 botão W=18 Proteção Actual de Over/Sub NO 16A |
|
EKR8-8111B01 |
Relé de proteção atual 1 botão W=18 Proteção de sobrecorrente NC 1A |
|
EKR8-8111B02 |
Relé de proteção atual 1 botão W=18 Proteção de sobrecorrente NC 2A |
|
EKR8-8111B05 |
Relé de proteção atual 1 botão W=18 Proteção supercorrente NC 5A |
|
EKR8-8111B10 |
Relé de proteção atual 1 botão W=18 Proteção supercorrente NC 10A |
|
EKR8-8111B16 |
Relé de proteção atual 1 botão W=18 Proteção de sobrecorrente NC 16A |
|
EKR8-8112B01 |
Relé de proteção atual 1 botão W=18 Proteção subcorrente NC 1A |
|
EKR8-8112B02 |
Relé de proteção atual 1 botão W=18 Proteção subcorrente NC 2A |
|
EKR8-8112B05 |
Relé de proteção atual 1 botão W=18 Proteção subcorrente NC 5A |
|
EKR8-8112B10 |
Relé de proteção atual 1 botão W=18 Proteção subcorrente NC 10A |
|
EKR8-8112B16 |
Relé de proteção atual 1 botão W=18 Proteção subcorrente NC 16A |
|
EKR8-8211B01 |
Relé de proteção atual 2 botão W=18 Proteção supercorrente NC 1A |
|
EKR8-8211B02 |
Relé de proteção atual 2 botão W=18 Proteção de sobrecorrente NC 2A |
|
EKR8-8211B05 |
Relé de proteção atual 2 botão W=18 Proteção supercorrente NC 5A |
|
EKR8-8211B10 |
Relé de proteção atual 2 botão W=18 Proteção supercorrente NC 10A |
|
EKR8-8211B16 |
Relé de proteção atual 2 botão W=18 Proteção supercorrente NC 16A |
|
EKR8-8212B01 |
Relé de proteção atual 2 botão W=18 Proteção subcorrente NC 1A |
|
EKR8-8212B02 |
Relé de proteção atual 2 botão W=18 Proteção subcorrente NC 2A |
|
EKR8-8212B05 |
Relé de proteção atual 2 botão W=18 Proteção subcorrente NC 5A |
|
EKR8-8212B10 |
Relé de proteção atual 2 botão W=18 Proteção subcorrente NC 10A |
|
EKR8-8212B16 |
Relé de proteção atual 2 botão W=18 Proteção subcorrente NC 16A |
|
EKR8-8311B01 |
Relé de proteção atual 3 botão W=18 Proteção supercorrente NC 1A |
|
EKR8-8311B02 |
Relé de proteção atual 3 botão W=18 Proteção supercorrente NC 2A |
|
EKR8-8311B05 |
Relé de proteção atual 3 botão W=18 Proteção supercorrente NC 5A |
|
EKR8-8311B10 |
Relé de proteção atual 3 botão W=18 Proteção supercorrente NC 10A |
|
EKR8-8311B16 |
Relé de proteção atual 3 botão W=18 Proteção supercorrente NC 16A |
|
EKR8-8312B01 |
Relé de proteção atual 3 botão W=18 Proteção subcorrente NC 1A |
|
EKR8-8312B02 |
Relé de proteção atual 3 botão W=18 Proteção subcorrente NC 2A |
|
EKR8-8312B05 |
Relé de proteção atual 3 botão W=18 Proteção subcorrente NC 5A |
|
EKR8-8312B10 |
Relé de proteção atual 3 botão W=18 Proteção subcorrente NC 10A |
|
EKR8-8312B16 |
Relé de proteção atual 3 botão W=18 Proteção subcorrente NC 16A |
|
EKR8-8413B01 |
Relé de Proteção Atual 4 botão W=18 Proteção Atual NC 1A |
|
EKR8-8413B02 |
Relé de proteção atual 4 botão W=18 Proteção corrente acima/under NC 2A |
|
EKR8-8413B05 |
Relé de Proteção Atual 4 botão W=18 Proteção Atual NC 5A |
|
EKR8-8413B10 |
Relé de proteção atual 4 botão W=18 Proteção atual/under NC 10A |
|
EKR8-8413B16 |
Relé de Proteção Atual 4 botão W=18 Proteção Atual NC 16A |
