O relé de proteção de tensão usa um processador de alta velocidade e baixa potência como seu núcleo. Quando a linha de alimentação elétrica tem sobretensão, subtensão ou falha de fase, reversão de fase, o relé cortará o circuito de forma rápida e segura para evitar acidentes causados por tensão anormal sendo enviada ao aparelho terminal.
1. O produto possui funções de proteção: interrupção de fase, escalonamento de fase, tensão desbalanceada, interrupção de linha zero.
2. Monitoramento em tempo real de falhas de fase escalonada, fase ausente e desequilíbrio de tensão em circuito trifásico de quatro fios.
3. Monitor de tensão, o produto melhora o desempenho anti-interferência do conversor de frequência, e o desempenho é mais estável.
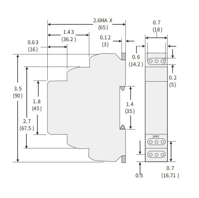
4. Relé de monitoramento de tensão, o protetor de sequência de fase adota estrutura modular padrão e instalação em trilho
5. Relé de proteção de sequência de fase, o produto possui duas luzes indicadoras que indicam várias condições de trabalho.
Dados técnicos | |
EKR8-741NA01 | |
Tipo de monitoramento | Trifásico Quatro fios |
Características de saída | SPDT |
Sobretensão | 0~20% |
Subtensão | 0~20% |
Atraso de tempo | 0,1~10S |
Sequência de Fases | √ |
Falha de fase | √ |
Tensão assimétrica | 5%~15% |
Tensão/frequência de trabalho | L/N: CA 127 V-254 V, 50/60 Hz |
Tempo de resposta do relé | 0,5S |
Avaliação de contato | CA-15:3A/250VAC |
Temperatura ambiente | -10°C~+55°C |
Erro de Voltagem | ⼠2% Máx. |
Erro de temperatura | ⼟2% Máx. |

![]() | ![]() |
