O relé de proteção de tensão usa um processador de alta velocidade e baixa potência como seu núcleo. Quando a linha de alimentação elétrica tem sobretensão, subtensão ou falha de fase, reversão de fase, o relé cortará o circuito de forma rápida e segura para evitar acidentes causados por tensão anormal sendo enviada ao aparelho terminal.
1. O produto possui funções de proteção: interrupção de fase, escalonamento de fase, tensão desbalanceada, interrupção de linha zero.
2. Monitoramento em tempo real de falhas de fase escalonada, fase ausente e desequilíbrio de tensão em circuito trifásico de três fios.
3. Monitor de tensão, o produto melhora o desempenho anti-interferência do conversor de frequência, e o desempenho é mais estável.
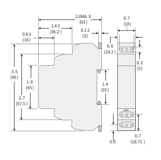
4. Relé de monitoramento de tensão, o protetor de sequência de fase adota estrutura modular padrão e instalação em trilho
5. Relé de proteção de sequência de fase, o produto possui duas luzes indicadoras que indicam várias condições de trabalho.
Dados técnicos |
|||
|
EKR8-7010
|
EKR8-7210
|
EKR8-7310
|
|
|
Tipo de monitoramento
|
Trifásico
|
||
|
Características de saída
|
SPDT
|
||
|
Sobretensão
|
15%
|
0-20% | 0-20% |
|
Subtensão
|
15%
|
0-20% | 0-20% |
|
Atraso de tempo
|
3S | 3S | 0,1-10S |
|
Sequência de Fases
|
√ | ||
|
Falha de fase
|
√ | ||
|
Tensão de trabalho
|
CA 220 V, 380 V, 400 V, 415 V, 440 V
|
||
|
Freqüência
|
50/60Hz
|
||
|
Tempo de resposta do relé
|
0,5S
|
||
|
Avaliação de contato
|
CA-15:3A/250VAC
|
||
|
Temperatura ambiente
|
-10°C~+55°C
|
||
|
Erro de Voltagem
|
⼟2% Máx.
|
||
|
Erro de temperatura
|
⼟2% Máx.
|
||

![]() |
![]() |
|
EKR8-7010110 |
Relé de proteção de tensão 0 botão SPDT três fase110VAC |
|
EKR8-7010220 |
Relé de proteção de tensão 0 botão SPDT três fases 220VAC |
|
EKR8-7010380 |
Relé de proteção de tensão 0 botão SPDT três fases 380VAC |
|
EKR8-7010400 |
Relé de proteção de tensão 0 botão SPDT três fases 400VAC |
|
EKR8-7010415 |
Relé de proteção de tensão 0 botão SPDT três fases 415VAC |
|
EKR8-7010440 |
Relé de proteção de tensão 0 botão SPDT três fases 440VAC |
|
EKR8-7210110 |
Relé de proteção de tensão SPDT de 2 knob três fase110VAC |
|
EKR8-7210220 |
Relé de proteção de tensão SPDT de 2 knob três fases 220VAC |
|
EKR8-7210380 |
Relé de proteção contra tensão SPDT de 2 knob três fases 380VAC |
|
EKR8-7210400 |
Relé de proteção de tensão Relé 2 knob SPDT três fases 400VAC |
|
EKR8-7210415 |
Relé de proteção de tensão SPDT de 2 knob três fases 415VAC |
|
EKR8-7210440 |
Relé de proteção de tensão SPDT de 2 knob três fases 440VAC |
|
EKR8-7310110 |
Relé de proteção de tensão SPDT de 3 knob três fases 110VAC |
|
EKR8-7310220 |
Relé de proteção de tensão SPDT de 3 knob três fases 220VAC |
|
EKR8-7310380 |
Relé de proteção de tensão SPDT de 3 knob três fases 380VAC |
|
EKR8-7310400 |
Relé de proteção de tensão Relé de 3 knob SPDT três fases 400VAC |
|
EKR8-7310415 |
Relé de proteção de tensão SPDT de 3 knob três fases 415VAC |
|
EKR8-7310440 |
Relé de proteção de tensão SPDT de 3 knob três fases 440VAC |
