Contator de serviço de capacitor para comutação de bancos de capacitores trifásicos, simples ou múltiplos em aplicações de correção do fator de potência. Ele suprime altas correntes de partida de comutação dos capacitores de potência. Contatores comuns são danificados facilmente com a comutação repetida dos capacitores. Portanto, os contatores de serviço de capacitor são a melhor escolha para comutação de capacitores, pois esses tipos de contatores limitam a corrente de partida e tendem a aumentar a vida útil do capacitor.
| Valor elétrico | CA 50/60 Hz, até 690 V; |
| Temperatura ambiente | -5℃~+40℃; a média durante 24 horas não deve exceder +35℃ |
| Altitude | ≤2000m; |
| Condições atmosféricas | no local de montagem, a umidade relativa não excede 50% na temperatura máxima de +40℃, umidade relativa mais alta é permitida em temperaturas mais baixas. Por exemplo, a UR pode ser 90% a +20℃, medidas especiais devem ser tomadas para a ocorrência de orvalho; |
| Grau de poluição | 3 |
| Categoria de instalação | Ⅲ |
| Condições de instalação | a inclinação entre o plano de instalação e o plano vertical está dentro de ±5° |
| Impacto e agitação | os produtos devem ser colocados em locais onde não haja impacto e agitação óbvios |



| Padrão | IEC/EN60947-4-1 | |||||||
| Modelo nº. | EKCC-12 | EKCC-16 | EKCC-20 | EKCC-25 | EKCC-33 | EKCC-40 | EKCC-60 | |
| Tamanho do contator | EKC1-18 | EKC1-25 | EKC1-32 | EKC1-40 | EKC1-50 | EKC1-65 | EKC1-95 | |
| Corrente de aquecimento convencional nominal | Eu(A) | 32 | 40 | 50 | 60 | 80 | 80 | 125 |
| Trabalho avaliado atual | 415 V/Ie (A) | 18 | 25 | 32 | 40 | 50 | 65 | 95 |
| Controlado por capacitor | 220 V/240 V (Quadra) | 6 | 8 | 10 | 12,5 | 16,5 | 20 | 30 |
| 400 V/440 V (Quadra) | 12 | 16 | 20 | 25 | 33 | 40 | 60 | |
| Tensão de isolamento nominal | Ui(V) | 690 | 690 | 690 | 690 | 690 | 690 | 690 |
| Tensão nominal de operação | Ue(V) | 400 | 400 | 400 | 400 | 400 | 400 | 400 |
| Vida elétrica (x10 3 ) | Tempos | 120 | 120 | 120 | 100 | 100 | 100 | 100 |
| Vida mecânica (x10 3 ) | Tempos | 3000 | 3000 | 3000 | 3000 | 3000 | 3000 | 3000 |
| Capacidade de Surto Restrita | x Ou seja | 15 | ||||||
| Contato Auxiliar | I-th=10A | 1NAO+1NF | 1NO+2NC | |||||
| Controlar Capacidade | CA-15 360VA; CC-13 33W | |||||||
| PARÂMETROS DA BOBINA | ||||||||
| Potência da bobina (VA) | Comece | 76 | 110 | 110 | 230 | 230 | 230 | 230 |
| Contenção | 10 | 11 | 11 | 32 | 32 | 32 | 32 | |
| Potência de controle nominal | Nós(V) | 24,36,48,110,220,380 | ||||||
| Tempo de puxar | EM | 12~22 | 15~24 | 15~24 | 20~26 | 20~26 | 20~26 | 20~35 |
| Tempo de liberação | EM | 4~12 | 5~19 | 5~19 | 8~12 | 8~12 | 8~12 | 6~20 |
| Faixa de operação | Escolher | (85%-110%) Nós | ||||||
| Cair fora | (20%-75%) Nós | |||||||

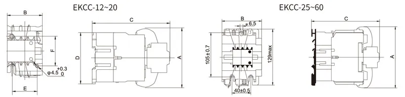
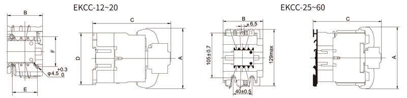
| Modelo | Um Máximo | B máx. | C máx. | D Máx. | E | F | Observação |
| EKCC-12 | 80 | 47 | 124 | 76 | 34/35 | 50/60 | ser fixado com trilho DIN de 35 mm |
| EKCC-16 | 90 | 57 | 132 | 86 | 40 | 48 | |
| EKCC-20 | 90 | 57 | 132 | 86 | 40 | 48 | |
| EKCC-25 | 132 | 77 | 150 | - | - | - | Não só fixado por parafusos, mas também pode ser fixado com trilho DIN de 35 mm e 75 mm |
| EKCC-33 | 132 | 77 | 150 | - | - | - | |
| EKCC-40 | 132 | 77 | 150 | - | - | - | |
| EKCC-60 | 135 | 87 | 162 | - | - | - |
Os terminais de conexão são protegidos por uma capa isolante, que é confiável e segura para instalação e operação;
Para EKCC-12~20, parafusos estão disponíveis para instalação, bem como o trilho DIN;
Para EKCC-25~60, trilhos padrão de 35 mm ou 75 mm estão disponíveis para instalação.
| EKCC-1211-220 | Capacitor Contactor 12Kvar 1NO+1NC Coil 220VAC with EKC1-18 |
| EKCC-1611-220 | Capacitor Contactor 16Kvar 1NO+1NC Coil 220VAC with EKC1-25 |
| EKCC-2011-220 | Capacitor Contactor 20Kvar 1NO+1NC Coil 220VAC with EKC1-32 |
| EKCC-2512-220 | Capacitor Contactor 25Kvar 1NO+2NC Coil 220VAC with EKC1-40 |
| EKCC-3312-220 | Capacitor Contactor 33Kvar 1NO+2NC Coil 220VAC with EKC1-50 |
| EKCC-4012-220 | Capacitor Contactor 40Kvar 1NO+2NC Coil 220VAC with EKC1-65 |
| EKCC-6012-220 | Capacitor Contactor 60Kvar 1NO+2NC Coil 220VAC with EKC1-95 |
| EKCC-1211-230 | Capacitor Contactor 12Kvar 1NO+1NC Coil 230VAC with EKC1-18 |
| EKCC-1611-230 | Capacitor Contactor 16Kvar 1NO+1NC Coil 230VAC with EKC1-25 |
| EKCC-2011-230 | Capacitor Contactor 20Kvar 1NO+1NC Coil 230VAC with EKC1-32 |
| EKCC-2512-230 | Capacitor Contactor 25Kvar 1NO+2NC Coil 230VAC with EKC1-40 |
| EKCC-3312-230 | Capacitor Contactor 33Kvar 1NO+2NC Coil 230VAC with EKC1-50 |
| EKCC-4012-230 | Capacitor Contactor 40Kvar 1NO+2NC Coil 230VAC with EKC1-65 |
| EKCC-6012-230 | Capacitor Contactor 60Kvar 1NO+2NC Coil 230VAC with EKC1-95 |
| EKCC-1211-380 | Capacitor Contactor 12Kvar 1NO+1NC Coil 380VAC with EKC1-18 |
| EKCC-1611-380 | Capacitor Contactor 16Kvar 1NO+1NC Coil 380VAC with EKC1-25 |
| EKCC-2011-380 | Capacitor Contactor 20Kvar 1NO+1NC Coil 380VAC with EKC1-32 |
| EKCC-2512-380 | Capacitor Contactor 25Kvar 1NO+2NC Coil 380VAC with EKC1-40 |
| EKCC-3312-380 | Capacitor Contactor 33Kvar 1NO+2NC Coil 380VAC with EKC1-50 |
| EKCC-4012-380 | Capacitor Contactor 40Kvar 1NO+2NC Coil 380VAC with EKC1-65 |
| EKCC-6012-380 | Capacitor Contactor 60Kvar 1NO+2NC Coil 380VAC with EKC1-95 |
| EKCC-1211-415 | Capacitor Contactor 12Kvar 1NO+1NC Coil 415VAC with EKC1-18 |
| EKCC-1611-415 | Capacitor Contactor 16Kvar 1NO+1NC Coil 415VAC with EKC1-25 |
| EKCC-2011-415 | Capacitor Contactor 20Kvar 1NO+1NC Coil 415VAC with EKC1-32 |
| EKCC-2512-415 | Capacitor Contactor 25Kvar 1NO+2NC Coil 415VAC with EKC1-40 |
| EKCC-3312-415 | Capacitor Contactor 33Kvar 1NO+2NC Coil 415VAC with EKC1-50 |
| EKCC-4012-415 | Capacitor Contactor 40Kvar 1NO+2NC Coil 415VAC with EKC1-65 |
| EKCC-6012-415 | Capacitor Contactor 60Kvar 1NO+2NC Coil 415VAC with EKC1-95 |
