
1. O que é um voltímetro digital?Voltímetro digital abreviado como DVM é um instrumento usado para medir a diferença de potencial elétrico entre dois pontos em um circuito. A voltagem pode ser uma corrente alternada (CA) ou corrente contínua (CC). Ele mede a voltagem de entrada após converter a voltagem analógica para voltagem digital e a exibe em formato numérico usando um conversor. O uso do voltímetro digital aumentou a velocidade e a precisão com que as leituras são anotadas.
1. O voltímetro digital é usado para saber a voltagem real de diferentes componentes.
2. O DVM é amplamente utilizado para verificar se há energia no circuito, como na tomada elétrica.
3. Sabendo a voltagem em um circuito, a corrente pode ser calculada.
1. Você não precisa descobrir as leituras manualmente para obter a leitura de voltagem, ohm ou ampere, ao contrário dos voltímetros analógicos.
2. Os voltímetros digitais fornecem uma leitura precisa e gerada por computador na tela, o que elimina os erros que podem ocorrer no caso da leitura humana.
3. Eles fornecem leituras precisas e rápidas quando comparados às leituras extraídas de um voltímetro analógico.
4. Os voltímetros digitais não exigem que você faça cálculos e são mais estáveis, confiáveis e seguros.
5. Os voltímetros digitais fornecem resultados precisos e não dependem da competência dos leitores, como no caso da leitura do voltímetro analógico.
6. Os voltímetros digitais são econômicos e menores em tamanho, o que os torna fáceis de manusear e usar.
7. Os voltímetros digitais têm a função de medir tensões CA e CC.
8. Em alguns voltímetros digitais mais recentes, há microcontroladores com os quais você pode armazenar as leituras para processamento posterior.
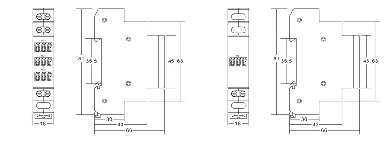
Características elétricas | |
| Tipo | EKMV1: Display digital LED monofásico 1 |
| EKMV3: Display digital trifásico de 3 LEDs | |
| Terminal para fiação | Monofásico L+N |
| Trifásico 3L+3N | |
| Cor digital | Vermelho |
| Faixa de tensão de medição | CA 80 V~500 V |
| Frequência nominal | 50/60Hz |
| Corrente de trabalho | ≤20mA |
| Medição de precisão | 1 |
| Taxa de medição | >200MS/tempo |
| Grau de proteção | IP20 |
| Vida elétrica | ≥15000 horas |
Condições de trabalho | |
| Temperatura ambiente (com média diária ≤35℃) | -5℃~+40℃ |
| Temperatura de armazenamento | -25℃~+70℃ |
| Umidade relativa do ar | 10-80% (sem condensação) |
| Pressão de trabalho | 80~160Kpa |
| Sol | sem sol |
Instalação | |
| Terminal para fiação | 1,5 mm² |
| Montagem | Em trilho DIN EN60715 (35 mm) por meio de dispositivo de grampo rápido |

