● Padrão: IEC61009-1
● Tipo: AC, A
● Corrente nominal: 6~40A
● Tensão nominal: 230/240~
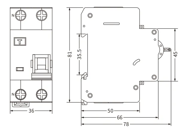
● Número de pólos: Dois pólos
● Corrente operacional residual nominal (IAn): 10, 30, 100, 300mA
● Capacidade de interrupção de curto-circuito nominal: 4,5 kA
● Curva de disparo: B, C
● Temperatura do ar ambiente: -25...+40 ºC
● Conexão: De baixo
● Certificados: CE, CB
● Marketing: Ásia Central, Rússia
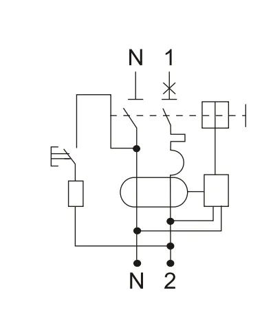
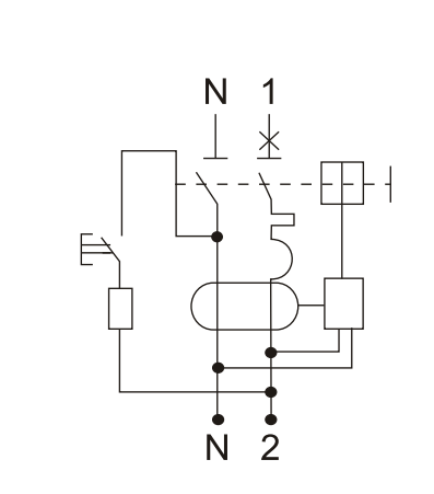
O disjuntor de corrente residual EKL3-40S de 4,5 kA produzido pela ETEK Electric pode proteger seu equipamento contra sobrecarga prejudicial e corrente de fuga. O invólucro termoplástico da unidade é resistente a impactos e fornece isolamento para protegê-lo de choques elétricos. Ele oferece uma característica de disparo Tipo B ou C.
Padrão | IEC/EN61009-1 | ||
Proteção | Falha de aterramento, sobrecorrente e curto-circuito, sobretensão (selecionável) | ||
Tipo de viagem | Falha de aterramento: Eletrônica | ||
Sobrecarga e curto-circuito: Termomagnético | |||
Tipo de proteção (vazamento elétrico) | CA, UM | ||
Nº de postes | 1P+N 2 módulos, linha N com desconectado | ||
| Corrente nominal em | 6,10,16,20,25,32,40A | ||
| Tensão nominal Ue | 230/240V~ | ||
| Frequência nominal | 50/60Hz | ||
Correntes de sensibilidade nominais I△n | 10,30,100,300mA | ||
Tempo de desligamento da corrente residual sob I△n | ≤0,1s | ||
Capacidade residual nominal de fabricação e quebra (I△m) | 500A (em≤50A) | ||
| Capacidade de interrupção nominal | 4.500A | ||
| Tensão de impulso suportável nominal (1,2/50) Uimp | 4.000 V | ||
| Tensão de teste dielétrico em frequência ind. por 1min | 2kV | ||
Característica de liberação térmica | (1,13-1,45) x Em | ||
Característica de liberação magnética | B:(3-5) x Em, C:(5-10) x Em | ||
| Vida elétrica | 4.000 ciclos | ||
| Vida mecânica | 10.000 ciclos | ||
| Indicador de posição de contato | Sim | ||
Grau de proteção | IP20 | ||
| Temperatura ambiente | -25℃ a +40℃, Máx.95% de umidade | ||
| Tipo de conexão do terminal | Barramento tipo cabo/pino | ||
Tamanho máximo do terminal para cabo | 25 mm2 | ||
Torque de aperto máx. | 2,5 Nm | ||
Instalação | Montagem em trilho DIN de 35 mm | ||
| Conexão | Do topo | ||


