O interruptor rotativo da série EKRS aplica-se principalmente a circuitos de 440 V e abaixo, CA 50 Hz ou 240 V e abaixo de CC. Para quebrar e fechar, comutação de circuitos, operação manual não frequente. E a aplicação típica é: interruptor de controle de motores trifásicos, interruptor de controle de engrenagem de comutação, interruptor de controle de instrumentos e interruptor de comutação de máquinas e máquinas de solda.
● A série está em conformidade com IEC 60947-3, IEC 60947-5-1.
● A série EKRS26 tem 8 classificações de corrente: 10A, 20A, 25A, 32A, 63A, 125A, 160A e 315A.
● O interruptor rotativo da série EKRS26 foi projetado para múltiplas funções e uma ampla variedade de aplicações.
● Os EKRS26-10, EKRS26-20, EKRS26-25 e EKRS26-32F têm terminais de proteção de dedos.
● Ambos são aplicáveis em circuitos quando é necessário um controle físico.
● Podemos equipar caixa de proteção para 20A, 25A, 32A e 63A.
● A temperatura ambiente não excede 40℃, e a temperatura média, medida durante um período de 24 horas, não excede 35℃
● A temperatura ambiente não deve ser inferior a -25℃
● Não deve ser instalado a mais de 2000 m acima do nível do mar
● A humidade não deve exceder 50% quando a temperatura ambiente for de 40℃ e maior humidade é permitida para temperaturas mais baixas
● É necessário um ambiente limpo
● Por favor, siga nosso manual
Use como interruptores de controle

Use como interruptores de motor

Use como interruptor de controle para um circuito principal

● Interruptor de comutação
● Interruptor do motor
● Interruptor de controle
● Movimento limitado
● Retorno por mola
● Movimento limitado com retorno por mola
● Os interruptores com movimento limitado podem ter 12 camadas no máximo (para 32 A e abaixo). E para 63 A e acima podem ter 8 camadas no máximo
● Os interruptores com retorno por mola podem ter no máximo 3 camadas
● Os interruptores do motor podem ter no máximo 6 camadas
| Operação ângulo |
Personagem código |
Posição da alça | |||
| Rotação de 30° | Rotação de 45° | Rotação de 60° | Rotação de 90° | ||
| Primavera retornar |
UM | 0° ← 30° | 0° ← 45° | 0° ← 60° | 0° ← 90° |
| B | 30° → 0° ← 30° | 45° → 0° ← 45° | 60° → 0° ← 60° | 90° → 0° ← 90° | |
| X | 60° → 30° → 0° ← 30° ← 60° | 90° → 45° → 0° ← 45° ← 90° | |||
| E | 90° → 60° → 30° → 0° ← 30° ← 60° ← 90° | ||||
| Limitado movimento |
C | 0° 30° | 0° 45° | 0° 60° | |
| E | 30° 0° 30° | 45° 0° 45° | 60° 0° 60° | ||
| E | 30° 0° 30° 60° | 45° 0° 45° 90° | 60° 0° 60° 120° | ||
| F | 60° 30° 0° 30° 60° | 90° 45° 0° 45° 90° | 60° 0° 60° 120° | ||
| G | 60° 30° 0° 30° 60° 90° | 90° 45° 0° 45° 90° 135° | 120° 60° 0° 60° 120° 180° | ||
| E | 90° 60° 30° 0° 30° 60° 90° | 135° 90° 45° 0° 45° 90° 135° | |||
| EU | 90° 60° 30° 0° 30° 60° 90° 120° | 135° 90° 45° 0° 45° 90° 135° 180° | |||
| Eu | 120° 90° 60° 30° 0° 30° 60° 90° 120° | ||||
| E | 20° 90° 60° 30° 0° 30° 60° 90° 120° 150° | ||||
| eu | 150° 120° 90° 60° 30° 0° 30° 60° 90° 120° 150° | ||||
| M | 150° 120° 90° 60° 30° 0° 30° 60° 90° 120° 150° 180° | ||||
| Não | 45° 45° | 30° 30° | |||
| P | 90° 0° 90° | ||||
| E | 0° 90° | ||||
| V | 90° 0° | ||||
| Limitado movimento com primavera retornar |
R | 30° 0° ← 30° | 270° 0° 90° 180° | ||
| Pq | 30° → 0° 60° | 135° 90° 45° 0° ← 45° | |||
| S | 135° 90° 45° 0° ← 45° | ||||
| C | 30° → 90° 0° ← 30° | 90° → 45° 0° 45° ← 90° | |||
Vida mecânica sem carga: 0,1×106 vezes, frequência de operação é 120 vezes/h.
Vida mecânica com carga: 0,03×106 vezes, frequência de operação é 120 vezes/h.
| Descrição | EKRS 26-10 |
EKRS 26-20 |
EKRS 26-25 |
EKRS 26-32 |
EKRS 2626-63 |
EKRS 26-125 |
EKRS 26-160 |
EKRS 26-315 |
||||||||||
| Tensão de isolamento nominal | Interface do usuário | V | 660 | 660 | 660 | 660 | 660 | 660 | 660 | 660 | ||||||||
| Corrente térmica nominal | Isso | UM | 10 | 20 | 25 | 32 | 63 | 125 | 160 | 315 | ||||||||
| Tensão nominal de trabalho | Ué | V | 240 | 440 | 240 | 440 | 240 | 440 | 240 | 440 | 240 | 440 | 240 | 440 | 240 | 440 | 240 | 440 |
| Corrente nominal de trabalho Ie | ||||||||||||||||||
| AC-21A, AC-22A | UM | 10 | 10 | 20 | 20 | 25 | 25 | 32 | 32 | 63 | 63 | 100 | 100 | 150 | 150 | 315 | 315 | |
| AC-23A | UM | 7,5 | 7,5 | 15 | 15 | 22 | 22 | 30 | 30 | 57 | 57 | 90 | 90 | 135 | 135 | 265 | 265 | |
| AC-2 | UM | 7,5 | 7,5 | 15 | 15 | 22 | 22 | 30 | 30 | 57 | 57 | 90 | 90 | 135 | 135 | 265 | 265 | |
| AC-3 | UM | 5.5 | 5.5 | 11 | 11 | 15 | 15 | 22 | 22 | 36 | 36 | 75 | 75 | 95 | 95 | 110 | 110 | |
| AC-4 | UM | 1,75 | 1,75 | 3.5 | 3.5 | 6.5 | 6.5 | 11 | 11 | 15 | 15 | 30 | 30 | 55 | 55 | 95 | 95 | |
| AC-15 | UM | 2,5 | 1.5 | 5 | 4 | 8 | 5 | 14 | 6 | |||||||||
| AC-13 | UM | 0,4 | 0,5 | |||||||||||||||
| Poder | ||||||||||||||||||
| AC-23A | KW | 1.8 | 3 | 3,7/ 2,5 |
7,5/ 3.7 |
5.5 /3 |
11/ 5.5 |
7,5 /4 |
1,5/ 7,5 |
15 /10 |
30/ 18,5 |
30/ 15 |
45/ 22 |
37/ 22 |
75/ 37 |
75/ 37 |
132 /55 |
|
| CA-2 kW | KW | 2,5 | 3.7 | 4 | 7,5 | 5.5 | 11 | 7,5 | 15 | 18,5 | 30 | 30 | 45 | 37 | 55 | 55 | 95 | |
| CA-3 kW | KW | 1.5 | 2.2 |
3/ |
5,5/3 | 4/3 |
7,5 |
5.5 |
11/ |
11 |
18,5 /11 |
15/ 7,5 |
30 /13 |
22 /11 |
37/ 18,5 |
27 /22 |
55 /30 |
|
| CA-4 kW | KW | 0,37 | 0,55 |
0,55/ |
1,5/ |
1.5 |
3/ |
2.7 |
5.5 |
5.5 |
7,5 /4 |
6/3 | 12/ 5.5 |
10 /4 |
15/ 7,5 |
15/ 7,5 |
25 /11 |
|
Re1: Neutro
Re2: O poder sob:
AC-23A, AC-3, AC-4 são trifásicos e tripolares, e o denominador representa a potência sob monofásico e bipolar.



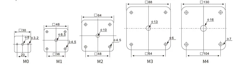
Placa de Escudo Quadrada e Placa de Escudo Retangular






|
Descrição |
Placa Escutcheão |
Dimensões (mm) |
Instalação(mm) |
||||||
|
A |
B |
C |
L |
E |
F |
D1 |
D2 |
||
|
EKRS26-10 |
M0 quadrado |
30 |
30 |
28 |
22+8n |
20 |
|
φ8 |
φ3.2 |
|
EKRS26-20 |
M1 quadrado |
48 |
48 |
43 |
22+9.6n |
36 |
36 |
φ8.5 |
φ4.5 |
|
M1 retangular |
48 |
60 |
43 |
22+9.6n |
36 |
36 |
φ8.5 |
φ4.5 |
|
|
M2 quadrado |
64 |
64 |
43 |
25+9.6n |
48 |
48 |
φ10 φ10 |
φ4.5 φ4.5 |
|
|
M2 retangular |
64 |
80 |
34 |
25+9.6n |
48 |
48 |
|
|
|
|
EKRS26-25 |
M1 quadrado |
48 |
48 |
45.2 |
23+12.8n |
36 |
36 |
φ8.5 |
φ4.5 |
|
M1 retangular |
48 |
60 |
45.2 |
23+12.8n |
36 |
36 |
φ8.5 |
φ4.5 |
|
|
M2 quadrado |
64 |
64 |
45.2 |
26.5+12.8n |
48 |
48 |
φ10 φ10 |
φ4.5 φ4.5 |
|
|
M2 retangular |
64 |
88 |
45.2 |
26.5+12.8n |
48 |
48 |
|
|
|
|
EKRS26-32 |
M2 quadrado |
64 |
64 |
58 |
29.2+12.8n |
48 |
48 |
φ10 |
φ4.5 |
|
M2 retangular |
64 |
80 |
58 |
29.2+12.8n |
48 |
48 |
φ10 |
φ4.5 |
|
|
M3 quadrado |
88 |
88 |
58 |
29.2+12.8n |
68 |
68 |
φ13 |
φ6 |
|
|
EKRS26-63 |
M2 quadrado |
64 |
64 |
66 |
29.2+21.5n |
48 |
48 |
φ10 |
φ4.5 |
|
M2 retangular |
64 |
80 |
66 |
29.2+21.5n |
48 |
48 |
φ10 φ13 |
φ4.5 |
|
|
M3 quadrado |
88 |
88 |
66 |
29.2+21.5n |
68 |
68 |
|
φ6 |
|
|
EKRS26-125 |
M3 quadrado |
88 |
88 |
84 |
35+26.5n |
68 |
68 |
φ13 |
φ6 |
|
EKRS26-160 |
M3 quadrado |
88 |
88 |
88 |
35+32.5n |
68 |
68 |
φ13 |
φ6 |
|
EKRS26-315 |
M4 quadrado |
130 |
130 |
126 |
39.5+38.5n |
104 |
104 |
φ16 |
φ7 |
Re: n para número de camadas
Devido à seleção de flexibilidade de classificações de contacto da série EKRS e número de contactos, etc., o seu número de combinação é quase ilimitado, para garantir que é escolhido um switch de direita para a aplicação, pelo que preparamos o seguinte formulário de programa personalizado para os nossos clientes encomendar switches especiais . Apenas série EKRS26.


