Sistema de combinação mecânica
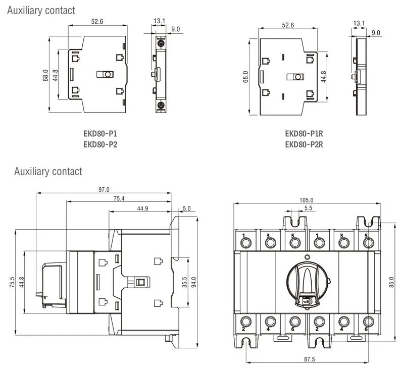
A montagem e remoção do quarto polo e do contato auxiliar são rápidas e simples, sem ferramentas.
![]() | |||||
01 | Contatos auxiliares adicionais | 02 | Tampa do terminal | 03 | Quarto poste adicional de montagem lateral |
O interruptor de isolamento adota o mesmo auxiliar O interruptor de isolamento pode ser instalado com até | A tampa do terminal do interruptor de isolamento tem um simples | Operação de contato simultâneo ou precoce | |||
04 | Trocar corpo | 05 | Mecanismo de intertravamento mecânico | 06 | Alça giratória |
O interruptor adota contato de compressão | O interior é feito de alta condutividade | Alça giratória, com proteção anti-operação incorreta | |||
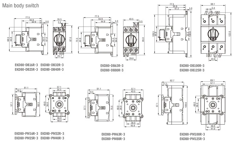
Método de instalação de trilhos

Tipo | 3P | EKD80-DB63R-6R-IM2 | EKD80-DB80R-6R-IM2 | EKD80-DB100R-6R-IM2 | EKD80-DB63R-3R-IM31 | EKD80-DB80R-3R-IM31 | EKD80-DB100R-3R-IM31 | EKD80-DB63R-3R-IM32 | EKD80-DB80R-3R-IM32 | EKD80-DB100R-3R-IM32 |
4P | EKD80-DB63R-8R-IM2 | EKD80-DB80R-8R-IM2 | EKD80-DB100R-8R-IM2 | EKD80-DB63R-4R-IM31 | EKD80-DB80R-4R-IM31 | EKD80-DB100R-4R-IM31 | EKD80-DB63R-4R-IM32 | EKD80-DB80R-4R-IM32 | EKD80-DB100R-4R-IM32 | |
Atual Corrente de aquecimento acordada (≤40°C) | 63A | 80A | 100A | 63A | 80A | 100A | 63A | 80A | 100A | |
Classificação operacional IEC atual le CA-21 A/B (≤690V) | 63A/63A | 80A/80A | 100A/100A | 63A/63A | 80A/80A | 100A/100A | 63A/63A | 80A/80A | 100A/100A | |
Classificação IEC | 415V | 63A/63A | 80A/80A 63A/80A | 100A/100A 63A/80A | 63A/63A | 80A/80A | 100A/100A | 63A/63A | 80A/80A | 100A/100A |
500 V | ||||||||||
690V | 40A/63A | 80A/80A | 80A/80A | 40A/63A | 63A/80A | 63A/80A | 40A/63A | 63A/80A | 63A/80A | |
Classificação IEC | 415V | 63A/63A | 80A/80A | 100A/100A | 63A/63A | 80A/80A | 80A/80A | 63A/63A | 80A/80A | 80A/80A |
500 V | 63A/63A | 63A/63A | 63A/63A | |||||||
690V | 40A/40A | 40A/40A | 40A/40A | |||||||
Classificação IEC | 110 VCC | 63A① | 80A① | 100A① | 63A① | 80A① | 100A① | 63A① | 80A① | 100A① |
250 VCC | 63A② | 80A② | 100A② | 63A② | 80A② | 100A② | 63A② | 80A② | 100A② | |
400 VCC | 40A③ | 40A③ | 40A③ | |||||||
Classificação IEC | 415V | 30 kW | 37 kW | 45 kW | 30 kW | 37 kW | 45 kW | 30 kW | 37 kW | 45 kW |
500 V | ||||||||||
690V | ||||||||||
Corrente de resistência a curto-circuito do fusível de proteção (valor esperado kA rms) | ||||||||||
Classe de fusível | 415V | 63A | 80A | 100A | 63A | 80A | 100A | 63A | 80A | 100A |
Condicional classificado corrente de curto-circuito | 415V | 50kA | ||||||||
Corrente de resistência a curto-circuito do disjuntor para proteção, qualquer disjuntor que possa desarmar em 0,3s | ||||||||||
Classificado como de curta duração suportar corrente | 0,3S | 3kA | ||||||||
Desempenho de curto-circuito (desprotegido) | ||||||||||
Classificado como de curta duração suportar corrente | 1S | 1,5kA | ||||||||
Curto-circuito nominal capacidade de criação | 2,1 kA | |||||||||
Área transversal dos terminais | 2,5~35 mm2 | |||||||||
Tensão de isolamento nominal Ui | 800 V | |||||||||
Impulso nominal suportável tensão Uimp | 8kV | |||||||||
Resistência Mecânica | 100000 | |||||||||
Temperatura ambiente | Operação -25...+55℃ Armazenamento -40...+70°C | |||||||||
①Cada pólo é usado como positivo e negativo
②Três pólos são usados em série com pólos positivos e negativos, dos quais dois pólos estão em série e o outro é negativo
③quatro pólos são usados em série com pólos positivos e negativos
Postes adicionais de montagem lateral



Postes adicionais de montagem lateral


Contatos auxiliares adicionais

Tampa do terminal

Mecanismo de intertravamento mecânico

Peças de alça giratória






