
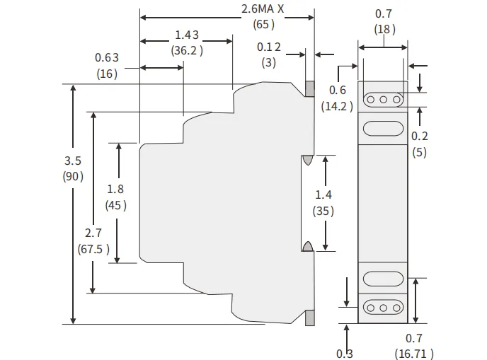
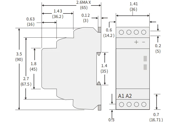
A série EKR8-4 é uma fonte de alimentação econômica e ultrafina do tipo trilho que atende aos padrões industriais alemães. É adequada para instalação em trilhos 35/7,5 ou 35/15. Para economizar espaço, o corpo é projetado para ter 18 mm (1SU) e 36 mm (2SU) de largura. A série inteira usa uma faixa completa de entrada CA de 85 VCA a 264 VCA (277 VCA também é aplicável) e todas estão em conformidade com o padrão EN61000-3-2 nas especificações de corrente harmônica especificadas pela União Europeia.
A série EKR8-4 é projetada com um invólucro de plástico, que pode proteger efetivamente os usuários de riscos elétricos. A eficiência de trabalho é de até 87%. Sob circulação de ar, toda a série pode trabalhar em uma temperatura ambiente de -30 a 70 graus. Ela tem funções de proteção completas e está em conformidade com os padrões de certificação relevantes para automação residencial e equipamentos de controle industrial (IEC62368-1, EN61558-2-16), tornando a série EKR8 uma solução de energia para aplicações residenciais e industriais altamente competitiva.
1. A menos que especificado de outra forma, todos os parâmetros de especificação devem ser medidos com entrada de 230 VCA, carga nominal e temperatura ambiente de 25 graus.
2. Método de medição de ondulação e ruído: é usado um fio de par trançado de 12 mm2, e os terminais são conectados em paralelo com os capacitores de 0,1 uf e 47 uf, e a medição é conduzida na largura de banda de 20 MHz.
3. Precisão: incluindo erro de configuração, taxa de ajuste linear e taxa de ajuste de carga.
EKR8-4111805 | EKR8-4111812 | EKR8-4111815 | EKR8-4111824 | EKR8-4111848 | ||
| Saída | Tensão CC | 5V | 12V | 15V | 24V | 48V |
Corrente nominal | 2.4A | 1,25A | 1A | 0,63A | 0,32A | |
Potência nominal | 12W | 15 W | 15 W | 15,2 W | 15,4 W | |
Ondulação e ruído (máx.) | 80mVp-p | 120mVp-p | 120mVp-p | 150mVp-p | 240mVp-p | |
Faixa de ajuste de tensão | 4,5-5,5 V | 10,8-13,8 V | 13,5-18 V | 21,6-29 V | 43,2-55,2 V | |
Precisão de tensão | ⼠2,0% | ⼠1,0% | ⼠1,0% | ⼠1,0% | ⼠1,0% | |
Taxa de ajuste linear | ⼠1,0% | ⼠1,0% | ⼠1,0% | ⼠1,0% | ⼠1,0% | |
Taxa de ajuste de carga | ⼠1,0% | ⼠1,0% | ⼠1,0% | ⼠1,0% | ⼠1,0% | |
Hora de início e subida | 2000ms,80ms/230VAC, 2000ms,80ms/115VAC (sob carga total) | |||||
Tempo de espera (típico) | 300 ms/230 VCA, 12 ms/115 VCA (sob carga total) | |||||
Entrada | Faixa de voltagem | 85-264 VCA (277 VCA disponível), 120-370 VCC (390 VCC disponível) | ||||
Faixa de frequência | 47-63Hz | |||||
Eficiência (Típico) | 80% | 85% | 85,5% | 86% | 87% | |
Corrente alternada (típica) | 0,5 A/115 VCA, 0,25 A/230 VCA | |||||
Corrente de surto (típica) | Partida a frio: 25A/115VAC, 45A/230VAC | |||||
Proteção | Sobrecarga | 110-145% da potência de saída nominal | ||||
Quando a tensão de saída é menor que 50%, ela está em modo de soluço e pode se recuperar automaticamente após a remoção da condição de carga anormal. Quando a tensão de saída é de 50% a 100%, ela está no modo de corrente constante e pode se recuperar automaticamente após a remoção da condição de carga anormal. | ||||||
Sobretensão | 5,75-6,75 V | 14,2-16,2 V | 18,8 - 22,5 V | 30 - 36V | 56,5-64,8 V | |
Modo de proteção: Desligue a saída, prenda com o diodo Zener | ||||||
EKR8-4113605 | EKR8-4113612 | EKR8-4113615 | EKR8-4113624 | EKR8-4113648 | ||
| Saída | Tensão CC | 5V | 12V | 15V | 24V | 48V |
Corrente nominal | 3A | 2A | 2A | 1,5A | 0,75A | |
Potência nominal | 15 W | 24W | 30 W | 36W | 36W | |
Ondulação e ruído (máx.) | 80mVp-p | 120mVp-p | 120mVp-p | 150mVp-p | 240mVp-p | |
Faixa de ajuste de tensão | 4,5-5,5 V | 10,8-13,8 V | 13,5-18 V | 21,6-29 V | 43,2-55,2 V | |
Precisão de tensão | ⼠2,0% | ⼠1,0% | ⼠1,0% | ⼠1,0% | ⼠1,0% | |
Taxa de ajuste linear | ⼠1,0% | ⼠1,0% | ⼠1,0% | ⼠1,0% | ⼠1,0% | |
Taxa de ajuste de carga | ⼠1,0% | ⼠1,0% | ⼠1,0% | ⼠1,0% | ⼠1,0% | |
Hora de início e subida | 2000ms,80ms/230VAC, 2000ms,80ms/115VAC (sob carga total) | |||||
Tempo de espera (típico) | 300 ms/230 VCA, 12 ms/115 VCA (sob carga total) | |||||
Entrada | Faixa de voltagem | 85-264 VCA (277 VCA disponível), 120-370 VCC (390 VCC disponível) | ||||
Faixa de frequência | 47-63Hz | |||||
Eficiência (Típico) | 82% | 88% | 89% | 89% | 90% | |
Corrente alternada (típica) | 0,5 A/115 VCA, 0,25 A/230 VCA | |||||
Corrente de surto (típica) | Partida a frio: 25A/115VAC, 45A/230VAC | |||||
Proteção | Sobrecarga | 110-145% da potência de saída nominal | ||||
Quando a tensão de saída é menor que 50%, ela está em modo de soluço e pode se recuperar automaticamente após a remoção da condição de carga anormal. Quando a tensão de saída é de 50% a 100%, ela está no modo de corrente constante e pode se recuperar automaticamente após a remoção da condição de carga anormal. | ||||||
Sobretensão | 5,75-7,5 V | 15-18V | 18,8-22,5 V | 30-36V | 56,5-64,8 V | |
Modo de proteção: Desligue a saída, prenda com o diodo Zener | ||||||
Dimensão | Diagrama de fiação |
![]() | EKR8-4111805/4111812 |
![]() | |
| EKR84111815/4111824 | |
![]() | |
| EKR8-4111848 | |
![]() | |
| EKR8-4113605/4113612 | |
![]() | ![]() |
| EKR8-4113615/4113624 | |
![]() | |
| EKR8-41148W3 | |
![]() |
