O relé de tempo é uma unidade de controle automático, que pode ser combinada com vários outros equipamentos elétricos para realizar o controle automático do circuito em execução. Quando o tempo predefinido terminar, a saída de contato será fechada ou aberta, para que o equipamento elétrico do terminal possa ser executado ou parado automaticamente.
Esta série de relés de tempo tem as vantagens de ampla faixa de tensão operacional, instruções de trabalho claras, pequeno volume, tamanho uniforme, fácil instalação, etc.
Aplicação: Máquinas industriais, Iluminação, Fabricação, Sistema HVAC, Alimentos e agricultura.
Ficha Técnica 1 | ||||
EKR8-521T | EKR8-522T | EKR8-541T | EKR8-542T | |
Características de saída | Saída SPDT multiperíodo | Saída DPDT multiperíodo | Circulação multiperíodo, SPDT | Circulação multiperíodo, DPDT |
Corrente nominal | 5A/16A | |||
Tensão de trabalho | Voltagem única: AC12V, AC24V, AC110V, AC220V, DC12V, DC24V Ampla voltagem: AC/DC12-240V | |||
Intervalo de tempo | 0,1S~10D | |||
Funções | SPDT | DPDT | SPDT | DPDT |
Ficha Técnica 2 | |||||
EKR8-5110 | EKR8-5111 | EKR8-5120 | EKR8-5121 | EKR8-5130 | |
Características de saída | SPDT (Em atraso) | SPDT (Atraso de desligamento) | DPDT (Em atraso) | DPDT (Atraso de desligamento) | Um grupo Inst, um grupo Delay |
Corrente nominal | 5A/16A | ||||
Tensão de trabalho | Voltagem única: AC12V, AC24V, AC110V, AC220V, DC12V, DC24V Ampla voltagem: AC/DC12-240V | ||||
Intervalo de tempo | 1S,3S,6S,10S,30S,60S,3M,6M,10M,30M,60M,3H,6H,10H,30H | ||||
Funções | SPDT | DPDT | DPDT | DPDT | DPDT |
Ficha Técnica 3 | |||
EKR8-521★ | EKR8-522★ | EKR8-532★ | |
Características de saída | Atraso de tempo multiperíodo, SPDT | Atraso de tempo multiperíodo, DPDT | Multiperíodo, atraso de tempo, modo A/B podem ser alternados |
Corrente nominal | 5A/16A | ||
Tensão de trabalho | Voltagem única: AC12V, AC24V, AC110V, AC220V, DC12V, DC24V Ampla voltagem: AC/DC12-240V | ||
Intervalo de tempo | ★: Lá, B, C, Ré, Mi A:1S/10S/1M/10M, B:3S/30S/3M/30M, C:6S/60S/6M/60M D:1M/10M/1H/10H, E:3M/30M/3H/30H | ||
Funções | SPDT | DPDT | Modo A: DPDT, Modo B: Um grupo inst, Um grupo delay, DPDT |
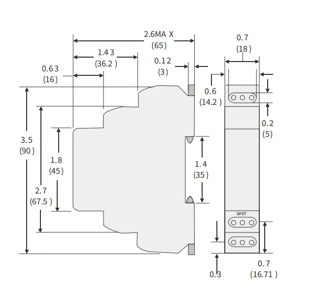
Dimensão | |
![]() | |
Diagrama de fiação | |
| EKR8-521T/522T | |
![]() | |
| EKR8-541T/542T | |
![]() | |
| EKR8-5110/5111 | EKR8-5120/5121 |
![]() | ![]() |
| EKR8-5130 | EKR8-532x |
![]() | ![]() |
| EKR8-521x/522x | |
![]() | |
