● Tensão nominal: até 1000 V DC
● Canais de entrada: Máx. 6 Stings
● Canais de entrada: 1 String
● Dispositivos de proteção: fusíveis integrados e proteção contra surtos
● Gabinete: classificação IP65 para uso externo
● Conformidade: Atende aos padrões internacionais de segurança
A caixa combinadora solar fotovoltaica DC da série EKDBS-PV é projetada com um invólucro de plástico de alta resistência para garantir que o produto seja robusto e durável. A caixa combinadora tem um nível de proteção IP65 e fornece proteção ideal sob condições ambientais adversas. Essas caixas combinadoras são adequadas para sistemas de geração de energia fotovoltaica doméstica e industrial com tensões operacionais de 500 V, 600 V e 1000 V.
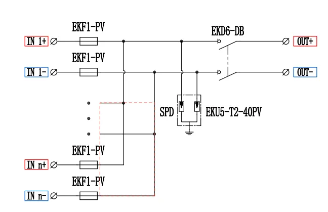
A caixa combinadora pode ser equipada com uma série de componentes, como disjuntores CC, seccionadores, protetores contra surtos CC, fusíveis CC, conectores fotovoltaicos ou conectores à prova d'água.
A série EKDBS-PV fornece proteção contra raios, proteção contra curto-circuito e proteção de aterramento para garantir a segurança do sistema. Ela suporta até 6 strings de entrada CC e pode ser facilmente montada na parede. Além dos componentes principais, todos os componentes podem ser personalizados de acordo com os requisitos do usuário.
| Modelo | EKDBS-PV1/1 | EKDBS-PV2/1 | EKDBS-PV3/1 | EKDBS-PV4/1 | |||
| Sequências de entrada CC | 1 | 2 | 3 | 4 | |||
| Cadeias de caracteres de saída | 1 | 1 | 1 | 1 | |||
| Tensão CC máx. | 600 V | 1000 V | 600 V | 1000 V | 500 V | 1000 V | 1000 VCC |
| Corrente de entrada máx. | 32A | 15A | 20A | 8A/15A | |||
| Corrente de saída máx. | 32A | 32A | 63A | 32A/63A | |||
| Proteção contra surtos | |||||||
| Nível experimental | II | II | II | II | |||
| Tensão máxima de operação | 600 V | 1000 V | 600 V | 1000 V | 600 V | 1000 V | 1000 V |
| Em (8/20μs) | 20kA | 20kA | 20kA | 20kA | |||
| Imáx (8/20μs) | 40kA | 40kA | 40kA | 40kA | |||
| Nível de proteção de tensão | 2,6 kV | 4KV | 2,6 kV | 4KV | 2,6 kV | 4kV | 4 |
| Poloneses | 2 | 3 | 2 | 3 | 2 | 3 | 3 |
| Características do design | Módulo plug-in | ||||||
| Fusível DC | |||||||
| Tensão nominal de operação | 1000 V | 1000 V | 1000 V | 1000 V | |||
| Corrente nominal | 32A (8~32A) | 15A | 20A | 8A/15A | |||
| Tamanho do fusível | 10x38mm | 10x38mm | 10x38mm | 10x38mm | |||
| Interruptor principal (MCB ou interruptor isolador disponível) | |||||||
| Corrente nominal | 32A | 32A | 32A/63A | 32A/63A | |||
| Gabinete | |||||||
| Tipo de material | PC+ABS | ||||||
| Grau de proteção | IP65 | ||||||
| Nível de proteção contra impactos | IK10 | ||||||
| Dimensão | Determinado pelo tipo de interruptor principal e tensão de entrada (personalizável) | ||||||
| Conector de entrada ou saída | PG ou MC4 | ||||||
| Ambiente | |||||||
| Temperatura de operação | -25℃ a +55℃ | ||||||
| Umidade | 95% | ||||||
| Altitude | 2000m | ||||||
| Instalação | Montagem na parede | ||||||


