● Padrão: IEC61009-1
● Tipo: AC, A
● Corrente nominal: 6~40A
● Tensão nominal: 230/240~
● Número de pólos: Pólo único
● Corrente operacional residual nominal (IAn): 10,30, 100, 300mA
● Capacidade de interrupção de curto-circuito nominal: 6kA
● Curva de disparo: B, C
● Temperatura do ar ambiente: -25...+40 ºC
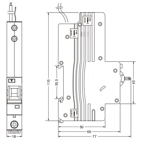
● Conexão: De baixo
● Certificados: CE, CB, UKCA, S
Os disjuntores diferenciais eletrônicos residuais 1P+N com proteção contra sobrecorrente (RCBO), EKL2-40 oferecem uma capacidade de interrupção de 6 kA e somente em um módulo atendem à demanda por dispositivos que protegem totalmente as instalações modernas contra correntes de curto-circuito, sobrecargas, correntes de fuga à terra e contatos indiretos, fornecendo proteção adicional contra contatos diretos (versões de 30 mA).
O RCBO comercial de módulo único possui um fio terra para garantir a detecção de vazamento de aterramento, em caso de perda acidental do neutro na instalação.
Esses RCBO eletrônicos podem ser instalados em países onde o uso de RCBO 1P+N com aterramento funcional está consolidado.
| Padrão | IEC/EN61009-1 | ||
|
Proteção |
Falha de aterramento, sobrecorrente e curto-circuito, sobretensão (selecionável)
|
||
|
Tipo de viagem |
Falha de aterramento: Eletrônica |
||
|
Sobrecarga e curto-circuito: Termomagnético |
|||
| Tipo | CA, UM | ||
|
Nº de postes |
1P+N,1 Módulo, linha N com desconectado |
||
| Corrente nominal em | 6,10,16,20,25,32,40A | ||
|
Correntes de sensibilidade nominais I△n |
10,30,100,300mA | ||
| Tempo de desligamento da corrente residual sob I△n | ≤0,1s | ||
| Capacidade residual de fabricação e quebra (I△m) | 500A (em≤50A) | ||
| Tensão nominal Ue | 230/240V~ | ||
| Frequência nominal | 50/60Hz | ||
| Capacidade de interrupção nominal | 6.000 A | ||
| Classe de limitação de energia | 3 | ||
| Tensão de impulso suportável nominal (1,2/50) Uimp | 4.000 V | ||
| Tensão de teste dielétrico em frequência ind. por 1min | 2kV | ||
|
Característica de liberação térmica |
(1,13-1,45) x Em |
||
| Característica de liberação magnética |
B:(3-5) x Em, C:(5-10) x Em |
||
| Vida elétrica | 4.000 ciclos | ||
| Vida mecânica | 10.000 ciclos | ||
| Indicador de posição de contato | Sim | ||
| Grau de proteção | IP20 | ||
| Temperatura ambiente | -25℃~+40℃, Máx.95% de umidade | ||
| Tipo de conexão do terminal | Barramento tipo cabo/pino | ||
|
Tamanho máximo do terminal para cabo |
L(entrada):25mm 2 , N/L(saída):16mm 2
|
||
| Torque de aperto máx. |
L(entrada):2,5 Nm, N/L(saída):2 N.m
|
||
|
Instalação |
Montagem em trilho DIN de 35 mm |
||
| Conexão |
De baixo para cima |
||


| Polacos | Corrente de classificação (A) | B Curva | |||
| Sensibilidade | |||||
| 10mA | 30mA | 100mA | 300mA | ||
| Type AC | |||||
| 1P+N | 6A | EKL2-40-1NB0610 | EKL2-40-1NB0630 | EKL2-40-1NB06100 | EKL2-40-1NB06300 |
| 10A | EKL2-40-1NB1010 | EKL2-40-1NB1030 | EKL2-40-1NB10100 | EKL2-40-1NB10300 | |
| 16A | EKL2-40-1NB1610 | EKL2-40-1NB1630 | EKL2-40-1NB16100 | EKL2-40-1NB16300 | |
| 20A | EKL2-40-1NB2010 | EKL2-40-1NB2030 | EKL2-40-1NB20100 | EKL2-40-1NB20300 | |
| 25A | EKL2-40-1NB2510 | EKL2-40-1NB2530 | EKL2-40-1NB25100 | EKL2-40-1NB25300 | |
| 32A | EKL2-40-1NB3210 | EKL2-40-1NB3230 | EKL2-40-1NB32100 | EKL2-40-1NB32300 | |
| 40A | EKL2-40-1NB4010 | EKL2-40-1NB4030 | EKL2-40-1NB40100 | EKL2-40-1NB40300 | |
| Type A | |||||
| 6A | EKL2-40-1NB0610A | EKL2-40-1NB0630A | EKL2-40-1NB06100A | EKL2-40-1NB06300A | |
| 10A | EKL2-40-1NB1010A | EKL2-40-1NB1030A | EKL2-40-1NB10100A | EKL2-40-1NB10300A | |
| 16A | EKL2-40-1NB1610A | EKL2-40-1NB1630A | EKL2-40-1NB16100A | EKL2-40-1NB16300A | |
| 20A | EKL2-40-1NB2010A | EKL2-40-1NB2030A | EKL2-40-1NB20100A | EKL2-40-1NB20300A | |
| 25A | EKL2-40-1NB2510A | EKL2-40-1NB2530A | EKL2-40-1NB25100A | EKL2-40-1NB25300A | |
| 32A | EKL2-40-1NB3210A | EKL2-40-1NB3230A | EKL2-40-1NB32100A | EKL2-40-1NB32300A | |
| 40A | EKL2-40-1NB4010A | EKL2-40-1NB4030A | EKL2-40-1NB40100A | EKL2-40-1NB40300A | |
| Polacos | Corrente de classificação (A) | C Curva | |||
| Sensibilidade | |||||
| 10mA | 30mA | 100mA | 300mA | ||
| Type AC | |||||
| 1P+N | 6A | EKL2-40-1NC0610 | EKL2-40-1NC0630 | EKL2-40-1NC06100 | EKL2-40-1NC06300 |
| 10A | EKL2-40-1NC1010 | EKL2-40-1NC1030 | EKL2-40-1NC10100 | EKL2-40-1NC10300 | |
| 16A | EKL2-40-1NC1610 | EKL2-40-1NC1630 | EKL2-40-1NC16100 | EKL2-40-1NC16300 | |
| 20A | EKL2-40-1NC2010 | EKL2-40-1NC2030 | EKL2-40-1NC20100 | EKL2-40-1NC20300 | |
| 25A | EKL2-40-1NC2510 | EKL2-40-1NC2530 | EKL2-40-1NC25100 | EKL2-40-1NC25300 | |
| 32A | EKL2-40-1NC3210 | EKL2-40-1NC3230 | EKL2-40-1NC32100 | EKL2-40-1NC32300 | |
| 40A | EKL2-40-1NC4010 | EKL2-40-1NC4030 | EKL2-40-1NC40100 | EKL2-40-1NC40300 | |
| Type A | |||||
| 6A | EKL2-40-1NC0610A | EKL2-40-1NC0630A | EKL2-40-1NC06100A | EKL2-40-1NC06300A | |
| 10A | EKL2-40-1NC1010A | EKL2-40-1NC1030A | EKL2-40-1NC10100A | EKL2-40-1NC10300A | |
| 16A | EKL2-40-1NC1610A | EKL2-40-1NC1630A | EKL2-40-1NC16100A | EKL2-40-1NC16300A | |
| 20A | EKL2-40-1NC2010A | EKL2-40-1NC2030A | EKL2-40-1NC20100A | EKL2-40-1NC20300A | |
| 25A | EKL2-40-1NC2510A | EKL2-40-1NC2530A | EKL2-40-1NC25100A | EKL2-40-1NC25300A | |
| 32A | EKL2-40-1NC3210A | EKL2-40-1NC3230A | EKL2-40-1NC32100A | EKL2-40-1NC32300A | |
| 40A | EKL2-40-1NC4010A | EKL2-40-1NC4030A | EKL2-40-1NC40100A | EKL2-40-1NC40300A | |
