● Padrão: IEC61009-1
● Tipo: AC, A
● Corrente nominal: 6~63A
● Tensão nominal: 230/240~, 400/415V~
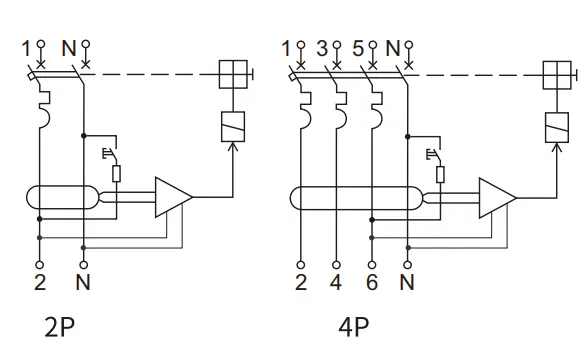
● Número de pólos: 2 pólos, 4 pólos
● Corrente operacional residual nominal (IAn): 10, 30, 100, 300mA
● Capacidade de interrupção de curto-circuito nominal: 4,5 kA
● Curva de disparo: B, C, D
● Temperatura do ar ambiente: -25...+55 ºC
● Conexão: De cima
● Certificados: CE, CB
● Marketing: Ásia Central, Rússia
Os disjuntores de corrente residual EKL5-63S com faixa de proteção contra sobrecorrente fornecem proteção total tanto para pessoas quanto para aparelhos elétricos, pois são projetados para cortar automaticamente o fornecimento de energia em caso de sobrecarga, curto-circuito e fuga à terra.
Eles podem ser usados como dispositivos de proteção para redes bifásicas de 240 V ou circuitos trifásicos de 415 V.
Sua corrente nominal máxima chega a 63A, e a corrente de fuga mínima tem 4 opções: 10mA, 30mA, 100mA e 300mA.
O RCBO é equipado com uma janela de indicação e um botão de reinicialização para distinguir entre disparos de corrente residual (o botão de reinicialização aparece) e disparos de sobrecarga (a janela de indicação fica vermelha).
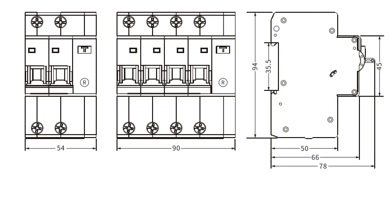
O RCBO é composto por três ou cinco módulos DIN, por isso é mais fácil de instalar do que a solução comum MCB + blocos complementares.
Mais barato que RCBO do mesmo tipo com capacidade de interrupção de 6kA ou 10kA.
Este produto atende ao padrão IEC61009-1.
|
Padrão |
IEC/EN61009-1 |
||
|
Proteção |
Falha de aterramento, sobrecorrente e curto-circuito, sobretensão (selecionável) |
||
|
Tipo de viagem |
Falha de aterramento: Eletrônica |
||
|
Sobrecarga e curto-circuito: Termomagnético |
|||
|
Tipo de proteção (vazamento elétrico) |
CA, A, S | ||
|
Nº de postes |
1P+N 3 módulos, 3P+N 5 módulos, linha N com desconectado |
||
| Corrente nominal em | 6,10,16,20,25,32,40,50,63A | ||
| Tensão nominal Ue |
1P+N:230/240V~, 3P+N:400/415V~
|
||
| Frequência nominal | 50/60Hz | ||
|
Correntes de sensibilidade nominais I△n |
10,30,100,300mA | ||
|
Tempo de desligamento da corrente residual sob I△n |
≤0,1s | ||
|
Capacidade residual nominal de fabricação e quebra (I△m) |
500A (em ≤ 50A), 10A (em > 50A) |
||
| Capacidade de interrupção nominal | 4,5kA | ||
| Tensão de impulso nominal suportada (1,5/50) Uimp | 4.000 V | ||
| Tensão de teste dielétrico em frequência ind. por 1min | 2kV | ||
|
Característica de liberação térmica |
(1,13-1,45) x Em |
||
|
Característica de liberação magnética |
B:(3-5) x Em, C:(5-10) x Em, D:(10-20) x Em |
||
| Vida elétrica | 4.000 ciclos | ||
| Vida mecânica | 10.000 ciclos | ||
| Indicador de posição de contato | Sim | ||
|
Indicador de falha de aterramento |
Sim | ||
|
Grau de proteção |
IP20 | ||
| Temperatura ambiente |
-25℃ a +55℃, máx. 95% de umidade |
||
| Tipo de conexão do terminal | Barramento tipo cabo/pino | ||
|
Tamanho máximo do terminal para cabo |
25mm 2 | ||
|
Torque de aperto máx. |
2,5 Nm | ||
|
Instalação |
Montagem em trilho DIN de 35 mm |
||
| Conexão |
Do topo |
||


| Capacidade de quebra | Polacos | Corrente de classificação(A) | B Curva | C Curva | ||||
| Sensibilidade | ||||||||
| 30mA | 100mA | 300mA | 30mA | 100mA | 300mA | |||
| Type AC | ||||||||
| 4.5KA | 1P+N | 6A | EKL5-63S-1NB0630 | EKL5-63S-1NB06100 | EKL5-63S-1NB06300 | EKL5-63S-1NC0630 | EKL5-63S-1NC06100 | EKL5-63S-1NC06300 |
| 10A | EKL5-63S-1NB1030 | EKL5-63S-1NB10100 | EKL5-63S-1NB10300 | EKL5-63S-1NC1030 | EKL5-63S-1NC10100 | EKL5-63S-1NC10300 | ||
| 16A | EKL5-63S-1NB1630 | EKL5-63S-1NB16100 | EKL5-63S-1NB16300 | EKL5-63S-1NC1630 | EKL5-63S-1NC16100 | EKL5-63S-1NC16300 | ||
| 20A | EKL5-63S-1NB2030 | EKL5-63S-1NB20100 | EKL5-63S-1NB20300 | EKL5-63S-1NC2030 | EKL5-63S-1NC20100 | EKL5-63S-1NC20300 | ||
| 25A | EKL5-63S-1NB2530 | EKL5-63S-1NB25100 | EKL5-63S-1NB25300 | EKL5-63S-1NC2530 | EKL5-63S-1NC25100 | EKL5-63S-1NC25300 | ||
| 32A | EKL5-63S-1NB3230 | EKL5-63S-1NB32100 | EKL5-63S-1NB32300 | EKL5-63S-1NC3230 | EKL5-63S-1NC32100 | EKL5-63S-1NC32300 | ||
| 40A | EKL5-63S-1NB4030 | EKL5-63S-1NB40100 | EKL5-63S-1NB40300 | EKL5-63S-1NC4030 | EKL5-63S-1NC40100 | EKL5-63S-1NC40300 | ||
| 50A | EKL5-63S-1NB5030 | EKL5-63S-1NB50100 | EKL5-63S-1NB50300 | EKL5-63S-1NC5030 | EKL5-63S-1NC50100 | EKL5-63S-1NC50300 | ||
| 63A | EKL5-63S-1NB6330 | EKL5-63S-1NB63100 | EKL5-63S-1NB63300 | EKL5-63S-1NC6330 | EKL5-63S-1NC63100 | EKL5-63S-1NC63300 | ||
| 3P+N | 6A | EKL5-63S-3NB0630 | EKL5-63S-3NB06100 | EKL5-63S-3NB06300 | EKL5-63S-3NC0630 | EKL5-63S-3NC06100 | EKL5-63S-3NC06300 | |
| 10A | EKL5-63S-3NB1030 | EKL5-63S-3NB10100 | EKL5-63S-3NB10300 | EKL5-63S-3NC1030 | EKL5-63S-3NC10100 | EKL5-63S-3NC10300 | ||
| 16A | EKL5-63S-3NB1630 | EKL5-63S-3NB16100 | EKL5-63S-3NB16300 | EKL5-63S-3NC1630 | EKL5-63S-3NC16100 | EKL5-63S-3NC16300 | ||
| 20A | EKL5-63S-3NB2030 | EKL5-63S-3NB20100 | EKL5-63S-3NB20300 | EKL5-63S-3NC2030 | EKL5-63S-3NC20100 | EKL5-63S-3NC20300 | ||
| 25A | EKL5-63S-3NB2530 | EKL5-63S-3NB25100 | EKL5-63S-3NB25300 | EKL5-63S-3NC2530 | EKL5-63S-3NC25100 | EKL5-63S-3NC25300 | ||
| 32A | EKL5-63S-3NB3230 | EKL5-63S-3NB32100 | EKL5-63S-3NB32300 | EKL5-63S-3NC3230 | EKL5-63S-3NC32100 | EKL5-63S-3NC32300 | ||
| 40A | EKL5-63S-3NB4030 | EKL5-63S-3NB40100 | EKL5-63S-3NB40300 | EKL5-63S-3NC4030 | EKL5-63S-3NC40100 | EKL5-63S-3NC40300 | ||
| 50A | EKL5-63S-3NB5030 | EKL5-63S-3NB50100 | EKL5-63S-3NB50300 | EKL5-63S-3NC5030 | EKL5-63S-3NC50100 | EKL5-63S-3NC50300 | ||
| 63A | EKL5-63S-3NB6330 | EKL5-63S-3NB63100 | EKL5-63S-3NB63300 | EKL5-63S-3NC6330 | EKL5-63S-3NC63100 | EKL5-63S-3NC63300 | ||
| Type A | ||||||||
| 1P+N | 6A | EKL5-63S-1NB0630A | EKL5-63S-1NB06100A | EKL5-63S-1NB06300A | EKL5-63S-1NC0630A | EKL5-63S-1NC06100A | EKL5-63S-1NC06300A | |
| 10A | EKL5-63S-1NB1030A | EKL5-63S-1NB10100A | EKL5-63S-1NB10300A | EKL5-63S-1NC1030A | EKL5-63S-1NC10100A | EKL5-63S-1NC10300A | ||
| 16A | EKL5-63S-1NB1630A | EKL5-63S-1NB16100A | EKL5-63S-1NB16300A | EKL5-63S-1NC1630A | EKL5-63S-1NC16100A | EKL5-63S-1NC16300A | ||
| 20A | EKL5-63S-1NB2030A | EKL5-63S-1NB20100A | EKL5-63S-1NB20300A | EKL5-63S-1NC2030A | EKL5-63S-1NC20100A | EKL5-63S-1NC20300A | ||
| 25A | EKL5-63S-1NB2530A | EKL5-63S-1NB25100A | EKL5-63S-1NB25300A | EKL5-63S-1NC2530A | EKL5-63S-1NC25100A | EKL5-63S-1NC25300A | ||
| 32A | EKL5-63S-1NB3230A | EKL5-63S-1NB32100A | EKL5-63S-1NB32300A | EKL5-63S-1NC3230A | EKL5-63S-1NC32100A | EKL5-63S-1NC32300A | ||
| 40A | EKL5-63S-1NB4030A | EKL5-63S-1NB40100A | EKL5-63S-1NB40300A | EKL5-63S-1NC4030A | EKL5-63S-1NC40100A | EKL5-63S-1NC40300A | ||
| 50A | EKL5-63S-1NB5030A | EKL5-63S-1NB50100A | EKL5-63S-1NB50300A | EKL5-63S-1NC5030A | EKL5-63S-1NC50100A | EKL5-63S-1NC50300A | ||
| 63A | EKL5-63S-1NB6330A | EKL5-63S-1NB63100A | EKL5-63S-1NB63300A | EKL5-63S-1NC6330A | EKL5-63S-1NC63100A | EKL5-63S-1NC63300A | ||
| 3P+N | 6A | EKL5-63S-3NB0630A | EKL5-63S-3NB06100A | EKL5-63S-3NB06300A | EKL5-63S-3NC0630A | EKL5-63S-3NC06100A | EKL5-63S-3NC06300A | |
| 10A | EKL5-63S-3NB1030A | EKL5-63S-3NB10100A | EKL5-63S-3NB10300A | EKL5-63S-3NC1030A | EKL5-63S-3NC10100A | EKL5-63S-3NC10300A | ||
| 16A | EKL5-63S-3NB1630A | EKL5-63S-3NB16100A | EKL5-63S-3NB16300A | EKL5-63S-3NC1630A | EKL5-63S-3NC16100A | EKL5-63S-3NC16300A | ||
| 20A | EKL5-63S-3NB2030A | EKL5-63S-3NB20100A | EKL5-63S-3NB20300A | EKL5-63S-3NC2030A | EKL5-63S-3NC20100A | EKL5-63S-3NC20300A | ||
| 25A | EKL5-63S-3NB2530A | EKL5-63S-3NB25100A | EKL5-63S-3NB25300A | EKL5-63S-3NC2530A | EKL5-63S-3NC25100A | EKL5-63S-3NC25300A | ||
| 32A | EKL5-63S-3NB3230A | EKL5-63S-3NB32100A | EKL5-63S-3NB32300A | EKL5-63S-3NC3230A | EKL5-63S-3NC32100A | EKL5-63S-3NC32300A | ||
| 40A | EKL5-63S-3NB4030A | EKL5-63S-3NB40100A | EKL5-63S-3NB40300A | EKL5-63S-3NC4030A | EKL5-63S-3NC40100A | EKL5-63S-3NC40300A | ||
| 50A | EKL5-63S-3NB5030A | EKL5-63S-3NB50100A | EKL5-63S-3NB50300A | EKL5-63S-3NC5030A | EKL5-63S-3NC50100A | EKL5-63S-3NC50300A | ||
| 63A | EKL5-63S-3NB6330A | EKL5-63S-3NB63100A | EKL5-63S-3NB63300A | EKL5-63S-3NC6330A | EKL5-63S-3NC63100A | EKL5-63S-3NC63300A | ||
