● Modo de controle: Controle de entrada de comutação ou controle RS485 (MODBUS-RTU)
● Tensão de alimentação nominal: DC24V±10% ou AC230V±10%
● Temperatura ambiente: -20℃ a +55℃
● Tempos de religamento automático: 3
● Tempo de intervalo de religamento automático: 10S - 60S - 300S
● Método de instalação: Montagem em trilho DIN de 35 mm
EKR5 é um módulo de controle remoto que suporta métodos de controle de comutação e RS485. Este módulo funciona com RCCB (outros produtos como MCB e RCBO estão em desenvolvimento).
Ao mesmo tempo, o módulo suporta uma função de religamento automático (3 vezes). Quando o dispositivo de proteção relevante na linha dispara em um momento inoportuno (abertura manual, disparo por curto-circuito, disparo por vazamento, disparo por sobrecarga, etc.), ele reiniciará automaticamente para melhorar a confiabilidade do circuito de fornecimento de energia.
O módulo EKR5 pode ser pareado com o RCCB. Quando o dispositivo de proteção dispara acidentalmente, ele religa automaticamente sem a necessidade de intervenção manual, reduzindo os custos de manutenção manual e permitindo a solução de problemas em tempo hábil para melhorar a eficiência.
Faixas de tensão estendidas em duas versões (24 V CC e 230 V CA)
Possui um recurso integrado para 3 tempos de religamento.
Acessórios auxiliares de alarme podem ser adicionados.
O status de trabalho é indicado por um LED.
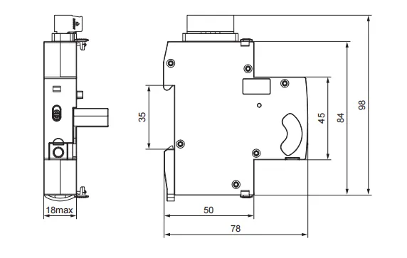
O mecanismo operacional tem apenas 18 mm de largura.
Um cadeado pode ser usado para proteger o disjuntor na posição aberta, garantindo uma operação segura no local.
Melhore seu sistema elétrico com o dispositivo de controle remoto EKR5, permitindo melhor controle, otimização de energia e uma sensação de segurança.
Modelo | EKR5-AC-C(R) | EKR5-DC-C(R) | EKR5-AC-S(R) | EKR5-DC-S(R) |
Modo de controle | Controle de entrada de comutação + religamento automático (opcional) | Controle RS485 (MODBUS-RTU) + religamento automático (Opcional) | ||
Terminais de energia | A1-A2 | |||
Tensão de alimentação nominal | CA230V±10% | CC24 V±10% | CA230V±10% | CC24 V±10% |
Consumo de energia | Máx. 1 VA (espera), Máx. 20 VA (operação) | |||
Faixa de frequência | 50~60Hz | |||
Indicação de fornecimento | LEDs vermelho e verde | |||
Tempo de ação | ≤ 1s | |||
Tempos de religamento automático (opcional) | 3 | |||
Intervalo de tempo de religamento automático (opcional) | Anos 10 - Anos 60 - Anos 300 | |||
Redefinir os horários de fechamento (Opcional) | Nenhuma viagem ou reinicialização manual dentro de 15 minutos após o fechamento bem-sucedido | |||
Vida elétrica | 4000 ciclos | |||
| Vida mecânica | 10000 ciclos | |||
Temperatura ambiente | -20℃ a +55℃ | |||
Temperatura de armazenamento | -35℃ a +75℃ | |||
Método de instalação | Montagem em trilho DIN de 35 mm | |||
Grau de proteção | IP20 | |||
Categoria de sobretensão | III | |||
Grau de poluição | 2 | |||
Tamanho máximo do terminal para cabo | 2,5 mm² | |||
Dimensões | 84×18×78mm | |||
Produtos correspondentes | EKL6-100, EKL6-100B, EKL6-63EV | |||
| Modelo RCCB | EKL6-100(H) | EJL6-100B | EKL6-63EV |
Padrão | IEC/EN61008-1 | Normas de segurança IEC 61008-1 e IEC 62423 | Normas de segurança IEC61008-1 e IEC62955 |
Tipo de viagem | Eletromagnético | ||
Tipo de proteção (vazamento elétrico) | CA, A, AG / A-SI, AS | B | Corrente contínua de 6 mA |
Nº de postes | 2P(1P+N), 4P(3P+N), Pólo N à esquerda | ||
Tensão nominal (Ue) | 1P+N: 230/240V~, 3P+N: 400/415V~ | ||
Correntes nominais (In) | 16,25,32,40,63,80,100A | 16,25,32,40,63A | |
Correntes de sensibilidade nominais (IΔn) | 10,30,100,300mA (10mA apenas para In=16-25A) | 30,100,300mA | 30mA, limite de disparo DC (I Δdc)=6mA |
Capacidade de interrupção nominal | 6.000 A, 10.000 A | 10.000 A | 10.000 A |
Vida elétrica | 2.000 ciclos | ||
Vida mecânica | 4.000 ciclos | ||
Temperatura ambiente | -25℃ a +40℃ | -25℃ a +55℃ | |
Indicador de falha de aterramento | Sim | ||
Grau de proteção | IP20 | ||
Tipo de conexão do terminal | Barramento tipo cabo/pino/barramento tipo garfo | ||
Tamanho máximo do terminal para cabo | 35 mm2 | ||
Torque de aperto máximo | 2,5 Nm | ||
Instalação | Montagem em trilho DIN de 35 mm | ||
Conexão | De cima ou de baixo | ||




