● Norma: IEC/EN 61643-11
● Classificação de surto: Imax=20kA (8/20 µs)
● Categoria IEC/EN: Tipo 2/Classe II
● Tensão máxima de operação contínua: 150, 275, 320, 385, 440 V
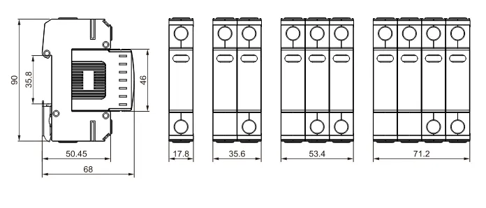
● Carcaça: Design Plugável
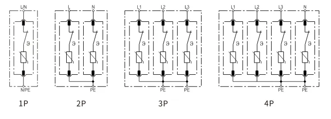
Os dispositivos de proteção contra surtos modulares EKU5-T2-20 Tipo 2 oferecem proteção para equipamentos conectados a fontes de alimentação CA de baixa tensão, protegendo contra sobretensão transitória causada por raios locais ou a comutação de cargas elétricas indutivas ou capacitivas. Eles estão disponíveis com bases de conexão de montagem em trilho DIN em 1, 2, 3 ou 4 módulos, permitindo fácil conexão dos módulos de proteção contra surtos escolhidos.
| Nº de postes | 1P | 2P | 3P | 4P | 1P+NPE | 3P+NPE |
| Sistemas de rede | TN-S, TN-C, TT (apenas LN) | TN-S | TN-C | TN-S | TT, TN-S | |
| Modo de proteção | L-PE, N-PE (apenas TN-S), L-PEN, LN | L-PE, N-PE | L-PEN | L-PE, N-PE | LN, N-PE | |
| Elementos de proteção | MOV de alta energia | MOV e GDT de alta energia | ||||
| Tensão máxima de operação contínua (LN) | Uc | 150 V | 275 V | 320V | 385V | 440 V |
| Tensão máxima de operação contínua (N-PE) | Uc | 255 V | ||||
| Corrente de descarga normal (8/20μs) (LN)/(N-PE) | Em | 10kA | ||||
| Corrente de descarga máxima (8/20μs) (LN)/(N-PE) | Imax | 20kA | ||||
| Nível de proteção de tensão (LN)/(N-PE) | Acima | 0,8 kV/1,5 kV | 1,0 kV/1,5 kV | 1,2 kV/1,5 kV | 1,45 kV/1,5 kV | 1,6 kV/1,5 kV |
| Nível de proteção de tensão 5kA | Acima | 0,5 kV | 0,8 kV | 1,0 kV | 1,2 kV | 1,4 kV |
| Tempo de resposta (LN)/(N-PE) | tA | ≤25 ns/≤100 ns | ||||
| Faixa de temperatura operacional | Você | -40℃ a +80℃ | ||||
| Máx. Fusível de reserva | 125 A gL/gG | |||||
| Estado operacional/indicação de falha | Verde/Vermelho(LN),Amarelo(N-PE) | |||||
| Área da seção transversal (mín.)/(máx.) | 4 mm²/35 mm² | |||||
| Montagem | Trilho DIN 35 mm, EN 60715 | |||||
| Material do gabinete | Plástico térmico UL94-V0 | |||||
| Grau de proteção | IP20 (embutido) | |||||



| Nº de polacos | Máximo. Tensão CA Operacional Contínua | ||||
| 150V | 275V | 320V | 385V | 440V | |
|
1P |
EKU5-T2-20-1P150 |
EKU5-T2-20-1P275 |
EKU5-T2-20-1P320 |
EKU5-T2-20-1P385 |
EKU5-T2-20-1P440 |
|
2P |
EKU5-T2-20-2P150 |
EKU5-T2-20-2P275 |
EKU5-T2-20-2P320 |
EKU5-T2-20-2P385 |
EKU5-T2-20-2P440 |
|
3P |
EKU5-T2-20-3P150 |
EKU5-T2-20-3P275 |
EKU5-T2-20-3P320 |
EKU5-T2-20-3P385 |
EKU5-T2-20-3P440 |
|
4P |
EKU5-T2-20-4P150 |
EKU5-T2-20-4P275 |
EKU5-T2-20-4P320 |
EKU5-T2-20-4P385 |
EKU5-T2-20-4P440 |
|
1P+NPE |
EKU5-T2-20-1PN150 |
EKU5-T2-20-1PN275 |
EKU5-T2-20-1PN320 |
EKU5-T2-20-1PN385 |
EKU5-T2-20-1PN440 |
|
3P+NPE |
EKU5-T2-20-3PN150 |
EKU5-T2-20-3PN275 |
EKU5-T2-20-3PN320 |
EKU5-T2-20-3PN385 |
EKU5-T2-20-3PN440 |
| Com sinalização remota | |||||
|
1P |
EKU5-T2-20-1P150S |
EKU5-T2-20-1P275S |
EKU5-T2-20-1P320S |
EKU5-T2-20-1P385S |
EKU5-T2-20-1P440S |
|
2P |
EKU5-T2-20-2P150S |
EKU5-T2-20-2P275S |
EKU5-T2-20-2P320S |
EKU5-T2-20-2P385S |
EKU5-T2-20-2P440S |
|
3P |
EKU5-T2-20-3P150S |
EKU5-T2-20-3P275S |
EKU5-T2-20-3P320S |
EKU5-T2-20-3P385S |
EKU5-T2-20-3P440S |
|
4P |
EKU5-T2-20-4P150S |
EKU5-T2-20-4P275S |
EKU5-T2-20-4P320S |
EKU5-T2-20-4P385S |
EKU5-T2-20-4P440S |
|
1P+NPE |
EKU5-T2-20-1PN150S |
EKU5-T2-20-1PN275S |
EKU5-T2-20-1PN320S |
EKU5-T2-20-1PN385S |
EKU5-T2-20-1PN440S |
|
3P+NPE |
EKU5-T2-20-3PN150S |
EKU5-T2-20-3PN275S |
EKU5-T2-20-3PN320S |
EKU5-T2-20-3PN385S |
EKU5-T2-20-3PN440S |
