1. Os porta-fusíveis são dispositivos para conter, proteger e montar fusíveis. Os porta-fusíveis vêm em dois tipos básicos, abertos ou totalmente fechados. Os tipos de porta-fusíveis abertos são clipes de fusíveis, blocos de fusíveis, soquetes e variedades de tampa plug-on. A variedade totalmente fechada pode usar um porta-fusíveis que é inserido em um suporte ou ter outros meios para fechar totalmente o fusível.
2. As opções de montagem para porta-fusíveis incluem bloco de fusíveis, clipe de fusível, montagem em painel, montagem em PC, montagem por encaixe e montagem em linha. Parâmetros ambientais importantes a serem considerados ao especificar porta-fusíveis incluem temperatura operacional.
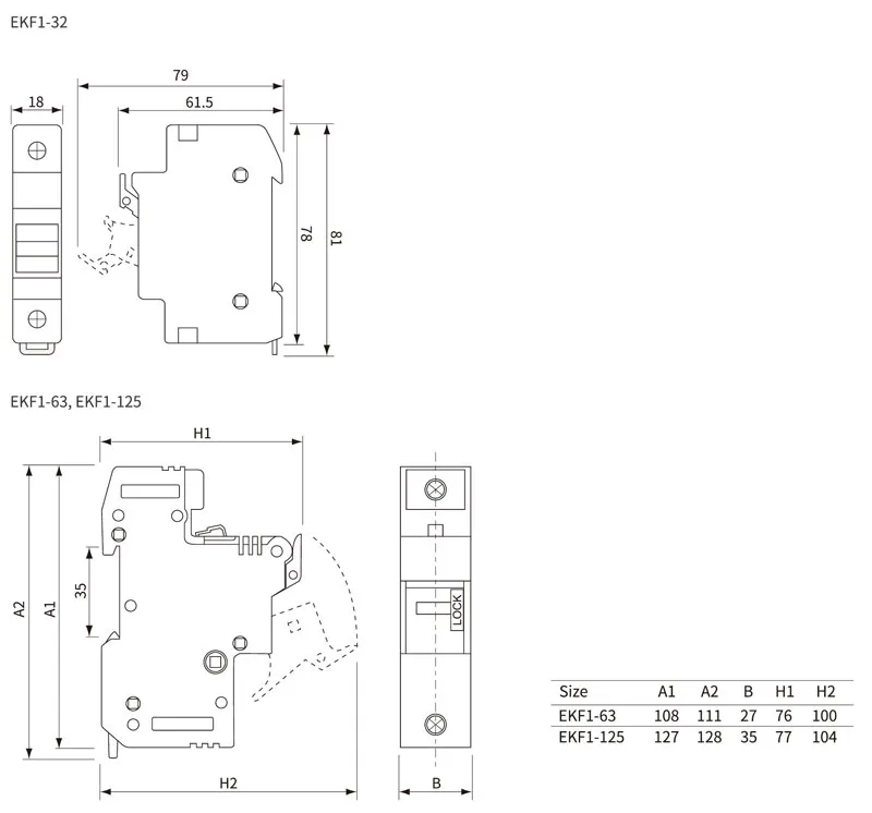
3. Os blocos de fusíveis e porta-fusíveis CA EKF1 fornecem proteção contra curtos-circuitos e sobrecargas.
Opções indicativas e não indicativas disponíveis.
Conformidade com as normas: IEC EN 60269-2.
O design compacto e pequeno oferece máxima flexibilidade.
Montável em trilho DIN de 35 mm.
Fácil instalação e remoção do fusível sem necessidade de extratores ou ferramentas adicionais.
| Corrente nominal em | 32A,63A,125A | |
| Modelo nº. | Tipo geral | EKF1-32, EKF1-63, EKF1-125 |
| Com tipo de indicador | EKF1-32L, EKF1-63L, EKF1-125L | |
| Poloneses | 1P, 2P, 3P, 4P, 1P+N, 3P+N | |
| Categoria de utilização | AC-22A | |
| Tensão nominal Ue | 240/415 V | |
| Tensão de isolamento Ui | 500 V | |
| Frequência nominal | 50/60Hz | |
| Tensão de impulso suportável nominal (1,5/50) Uimp | 4.000 V | |
| Vida elétrica | 1.500 ciclos | |
| Vida mecânica | 8.500 ciclos | |
| Frequência de operação | 120/hora | |
| Grau de proteção | IP20 | |
| Torque de aperto | EKF1-32 | 1,5 Nm 14 pol-lbs |
| EKF1-63 | 2,5 Nm 22 pol-lbs | |
| EKF1-125 | 3,5 Nm 30 pol-lbs | |
| Tamanho do terminal para cabo | EKF1-32 | 16 mm 2 18-5AWG |
| EKF1-63 | 25 mm 2 18-3AWG | |
| EKF1-125 | 50 mm 2 18-2AWG | |
| Temperatura ambiente (com média diária ≤35℃) | -5℃~+40℃ | |
| Temperatura de armazenamento | -25℃~+70℃ | |
| Montagem | Em trilho DIN EN60715 (35 mm) por meio de dispositivo de grampo rápido | |


|
Classificação atual |
Referência nº. |
Especificação |
Tamanho da ligação de fusíveis |
|
32A |
EKF1-32-1 |
Base de fusíveis modular 32A Quadro 1P W=18mm |
10x38mm |
|
EKF1-32N-1 |
Base de Fusagem Modular 32A Quadro 1P+N W=18mm |
||
|
EKF1-32-2 |
Base de fusíveis modular 32A estrutura 2P W=36mm |
||
|
EKF1-32-3 |
Base de fusíveis modulares 32A Quadro 3P W=54mm |
||
|
EKF1-32-4 |
Base de Fusagem Modular 32A Frame 4P W=72mm |
||
|
EKF1-32L-1 |
Base de fusíveis modular com lâmpada 32A moldura 1P W=18mm |
||
|
EKF1-32L-2 |
Base de fusíveis modular com lâmpada 32A Quadro 2P W=36mm |
||
|
EKF1-32L-3 |
Base de fusíveis modular com lâmpada 32A moldura 3P W=54mm |
||
|
EKF1-32L-4 |
Base de fusíveis modular com lâmpada 32A Quadro 4P W=72mm |
||
|
63A |
EKF1-63-1 |
Base de fusíveis modular 63A estrutura 1P W=27mm |
14x51mm |
|
EKF1-63-2 |
Base de fusíveis modular 63A estrutura 2P W=54 mm |
||
|
EKF1-63-3 |
Base de fusíveis modular 63A estrutura 3P W=81mm |
||
|
EKF1-63-4 |
Base de fusíveis modular 63A moldura 4P W=108mm |
||
|
EKF1-63L-1 |
Base de fusíveis modular com lâmpada 63A moldura 1P W=27mm |
||
|
EKF1-63L-2 |
Base de fusíveis modular com lâmpada 63A moldura 2P W=54 mm |
||
|
EKF1-63L-3 |
Base de fusíveis modular com lâmpada 63A moldura 3P W=81mm |
||
|
EKF1-63L-4 |
Base de fusíveis modular com lâmpada 63A moldura 4P W=108 mm |
||
|
125A |
EKF1-125-1 |
Base de fusíveis modular 125A estrutura 1P W=35mm |
22x58mm |
|
EKF1-125-2 |
Base de fusíveis modular 125A estrutura 2P W=70mm |
||
|
EKF1-125-3 |
Base de fusíveis modular 125A moldura 3P W=105 mm |
||
|
EKF1-125-4 |
Base de fusíveis modular 125A estrutura 4P W=140mm |
||
|
EKF1-125L-1 |
Base de fusíveis modular com lâmpada 125A moldura 1P W=35mm |
||
|
EKF1-125L-2 |
Base de fusíveis modular com lâmpada 125A moldura 2P W=70mm |
||
|
EKF1-125L-3 |
Base de fusíveis modular com lâmpada 125A moldura 3P W=105 mm |
||
|
EKF1-125L-4 |
Base de fusíveis modular com lâmpada 125A moldura 4P W=140mm |
