● Padrão: IEC61008-1, IEC61008-2, IEC62955
● Classificação de RDC-DD: RDC-PD
● Comportamento na presença de componentes dc: Tipo A
● Corrente nominal: 16~63A
● Tensão nominal: 230/400V~240/415V
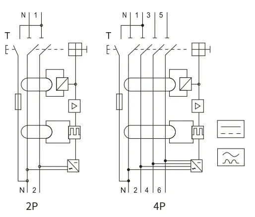
● Pólos: 2P(1P+N), 4P(3P+N), Pólo N à esquerda
● Corrente operacional residual nominal (IΔn): 30mA
● Corrente operacional residual CC nominal (IΔdc): 6mA
● Temperatura do ar ambiente: -25...+55 ºC
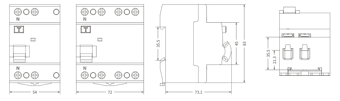
● Conexão: De cima para baixo
● Certificados: CE, CB, TUV, UKCA
● Aplicações: Estação de carregamento de veículos elétricos
O ETEK Tipo EV RCD EKL6-63EV é uma solução econômica que combina a funcionalidade de um RCCB Tipo A com um sensor CC de 6 mA. Este dispositivo foi projetado especificamente para sistemas de carregamento de EV e atende às solicitações de dispositivos de corrente residual da IEC 61851-1 e IEC 60364-7-722. O design compacto do RCD Tipo EV integra proteção de corrente residual CA 30 mA (Tipo A) e CC de 6 mA. Além disso, o dispositivo é compatível com os padrões RCCB Tipo A e RDC-PD (Corrente Contínua Residual - Detecção Pulsante) conforme definido pela IEC 62955.
Esses RCDs podem ser usados apenas para proteção ao carregar veículos elétricos em linha. Eles não podem ser usados para nenhuma outra aplicação. Claro, também é possível usar RCD Tipo B em aplicações de carregamento de EV.
O RCD do tipo EV não pode ser usado como um substituto para o tipo B em nenhuma circunstância. Ele detecta apenas correntes residuais do tipo A (correntes residuais CA e pulsantes na frequência nominal de 50 Hz), bem como correntes residuais CC suaves (desligamento em máx. 6 mA) graças à função adicional integrada.
Segurança avançada de carregamento de veículos elétricos: projetado especificamente para os requisitos exclusivos de estações de carregamento de veículos elétricos.
Proteção Sensível CC de 6 mA: Detecta e interrompe até mesmo as menores correntes de fuga CC (6 mA), excedendo os requisitos padrão para maior segurança.
Conformidade com a norma IEC 62955: atende ao rigoroso padrão internacional para dispositivos de detecção de corrente contínua residual usados em equipamentos de carregamento de veículos elétricos.
Ideal para carregamento no Modo 3: Ideal para uso em estações de carregamento no Modo 3, garantindo o mais alto nível de segurança para carregamento CA.
Alta classificação de corrente: capacidade de 63 A, adequada para uma ampla gama de aplicações de carregamento de veículos elétricos, desde instalações residenciais até comerciais.
Operação confiável: projetada para desempenho e longevidade consistentes, mesmo em condições ambientais exigentes.
Fácil instalação e integração: projetado para instalação simples e integração perfeita em sistemas de carregamento de veículos elétricos.
Indicadores visuais claros: apresenta indicadores de status facilmente identificáveis para verificações visuais rápidas e solução de problemas eficiente.
Estações de carregamento de veículos elétricos públicas e privadas
Pontos de carregamento de veículos elétricos residenciais
Infraestrutura de carregamento de veículos elétricos comerciais e no local de trabalho
Sistemas de carregamento de frotas de veículos elétricos
Estações de carregamento de veículos elétricos em edifícios residenciais multifamiliares
O RCD EV Tipo EKL6-63EV da ETEK Electric representa um compromisso com os mais altos padrões de segurança em carregamento de veículos elétricos. Ao escolher o EKL6-63EV, você está investindo em proteção avançada que prioriza a segurança do usuário e garante uma experiência de carregamento segura e confiável para todos os proprietários de veículos elétricos.
| Padrão |
IEC61008-1, IEC61008-2, IEC62955
|
|
Proteção
|
Falha de aterramento
|
|
Tipo de viagem
|
Eletromagnético
|
|
Tipo de proteção (vazamento elétrico)
|
Corrente de fuga A e DC |
| Classificação de RDC-DD | RDC-PD |
|
Nº de postes
|
2P(1P+N), 4P(3P+N), Pólo N à esquerda
|
| Corrente nominal em | 16,25,32,40,63A |
| Tensão nominal Ue | 2P 240V~,4P 415V~ |
| Frequência nominal | 50/60Hz |
|
Correntes de sensibilidade nominais IΔn
|
30mA |
| Limiar de disparo CC (IΔdc) | 6mA |
|
Tempo de desligamento da corrente residual sob IΔn
|
≤0,1s |
| Capacidade residual nominal de fechamento e ruptura (IΔm) | 500A (em ≤ 40A), 10 pol (em > 40A) |
|
Capacidade de interrupção nominal
|
10.000 A |
| Fusível SCPD | 10kA |
| Tensão de impulso nominal suportada (1,5/50) Uimp | 4000 V |
| Tensão de teste dielétrico em frequência ind. por 1min | 2,5 kV |
| Vida elétrica | 2.000 ciclos |
| Vida mecânica | 4.000 ciclos |
| Indicador de posição de contato | Sim |
|
Indicador de falha de aterramento
|
Sim |
| Grau de proteção | IP20 |
| Temperatura ambiente |
-25℃ a 55℃, Máx.95% de umidade
|
| Tipo de conexão do terminal | Barramento tipo cabo/pino/barramento tipo U |
|
Tamanho máximo do terminal para cabo
|
35mm 2 |
| Torque de aperto máx. | 2,5 Nm |
|
Instalação
|
Montagem em trilho DIN de 35 mm
|
| Conexão |
De cima para baixo
|


| Modelo | Corrente de classificação | Polacos | Tipo RCD | Corrente Residual | Código |
| EKL6-63EV-1N2530AD6 | 25A | 1P+N | A | 30mA+6mA DC | 125452 |
| EKL6-63EV-1N3230AD6 | 32A | 1P+N | A | 30mA+6mA DC | 125225 |
| EKL6-63EV-1N4030AD6 | 40A | 1P+N | A | 30mA+6mA DC | 125453 |
| EKL6-63EV-1N6330AD6 | 63A | 1P+N | A | 30mA+6mA DC | 125454 |
| EKL6-63EV-3N2530AD6 | 25A | 3P+N | A | 30mA+6mA DC | 125455 |
| EKL6-63EV-3N3230AD6 | 32A | 3P+N | A | 30mA+6mA DC | 125226 |
| EKL6-63EV-3N4030AD6 | 40A | 3P+N | A | 30mA+6mA DC | 125456 |
| EKL6-63EV-3N6330AD6 | 63A | 3P+N | A | 30mA+6mA DC | 125457 |
