● Padrão: IEC61008-1
● Tipo: AC, A
● Corrente nominal: 16~63A
● Tensão nominal: 230/400V~240/415V
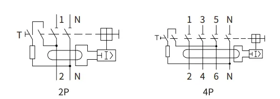
● Pólos: 2P(1P+N), 4P(3P+N), Pólo N à direita
● Sensibilidade nominal I△n: 30mA, 100 mA, 300mA, 10mA (2P, 1P+N; 16A, 25A)
● Capacidade de interrupção de curto-circuito nominal: 6kA, 10kA
● Temperatura do ar ambiente: -25...+40ºC
● Conexão: De cima para baixo
● Certificados: CB, CE, TUV
O disjuntor de corrente residual EKL1-63 é adequado para o circuito de AC50/60Hz. Tensão nominal de 240 V para 1P+N e 415 V para 3P+N e corrente nominal de até 63 A. Quando as pessoas se deparam com o choque elétrico ou a corrente de fuga da rede elétrica excede o valor fixo, este produto pode cortar a corrente de falha em um curto período para proteger a pessoa e o equipamento também pode ser usado na partida infrequente do circuito e motores. O disjuntor é adequado para a indústria, comércio, edifícios altos, residências e outros tipos de lugares. Este produto atende ao padrão IEC/EN61008-1.
Alta capacidade de interrupção: disponível em opções de 6 kA e 10 kA, proporcionando flexibilidade para diferentes necessidades de aplicação.
Faixa de corrente versátil: suporta classificações de corrente de 16 A a 63 A, acomodando diversas configurações elétricas.
Várias opções de configuração: Oferecido em configurações 1P+N, 3P+N para diversos requisitos de instalação.
Conformidade com a norma IEC 61008-1: atende aos padrões internacionais para disjuntores de corrente residual, garantindo desempenho confiável.
Detecção eficaz de vazamentos: protege contra correntes de fuga perigosas, aumentando a segurança elétrica geral.
Construção robusta: feita com materiais de alta qualidade para durabilidade e confiabilidade a longo prazo.
Instalação simples: projetado para fácil integração em sistemas elétricos existentes com montagem direta.
Visor indicador claro: apresenta indicadores visíveis de LIGA/DESLIGA e de viagem para monitoramento eficiente e diagnóstico rápido de falhas.
Proteção abrangente: oferece proteção aprimorada contra sobrecargas e curtos-circuitos quando usado com um MCB.
Instalações elétricas residenciais
Edifícios comerciais e de escritórios
Plantas industriais e instalações de fabricação
Edifícios do setor público (escolas, hospitais, etc.)
Pontos de venda e centros comerciais
Locais de hospitalidade, como hotéis e resorts
Infraestrutura de TI e data centers
Sistemas de energia renovável
O RCCB EKL1-63 da ETEK Electric foi projetado para atender aos mais altos padrões de segurança, fornecendo proteção confiável para pessoas e equipamentos. Ao escolher o EKL1-63, você está investindo em uma solução de proteção de circuito de alta qualidade que garante a segurança e a eficiência de seus sistemas elétricos. Ideal para novas instalações e atualizações, o RCCB EKL1-63 é uma escolha confiável para as necessidades modernas de segurança elétrica.
|
Padrão
|
IEC/EN61008-1
|
||
|
Proteção
|
Falha de aterramento
|
||
|
Tipo de viagem
|
Eletromagnético
|
||
|
Tipo de proteção (vazamento elétrico)
|
CA, UM
|
||
|
Nº de postes
|
2P(1P+N), 4P(3P+N), Pólo N à direita
|
||
| Corrente nominal em | 16,25,32,40,63A | ||
|
Correntes de sensibilidade nominais I△n
|
10,30,100,300mA (10mA apenas para In=16-25A)
|
||
|
Tempo de desligamento da corrente residual sob I△n
|
≤0,1s
|
||
|
Capacidade residual nominal de fabricação e quebra (I△m)
|
500A (em ≤ 50A), 10A (em > 50A)
|
||
| Tensão nominal Ue |
1P+N: 230/240V~, 3P+N: 400/415V~
|
||
| Frequência nominal | 50/60Hz | ||
|
Fusível SCPD
|
EKL1-63: 6.000 A | ||
| EKL1-63H: 10.000 A | |||
| Tensão de impulso nominal suportada (1,5/50) Uimp | 4000 V | ||
| Tensão de teste dielétrico em ind.Freq. por 1min | 2kV | ||
| Vida elétrica | 2.000 ciclos | ||
| Vida mecânica | 4.000 ciclos | ||
| Indicador de posição de contato | Sim | ||
| Grau de proteção | IP20 | ||
| Temperatura ambiente |
-25℃ a +40℃, Máx.95% de umidade
|
||
| Tipo de conexão do terminal |
Barramento tipo cabo/pino/barramento tipo garfo
|
||
|
Tamanho máximo do terminal para cabo
|
25mm 2 | ||
|
Torque de aperto máx.
|
2,5 Nm | ||
|
Instalação
|
Montagem em trilho DIN de 35 mm
|
||
| Conexão |
De cima para baixo
|
||


| Capacidade de quebra | Polacos | Corrente nominal(A) | Tipo CA | ||
| Sensibilidade | |||||
| 30mA | 100mA | 300mA | |||
| 6KA | 1P+N | 16A | EKL1-63-1N1630 | EKL1-63-1N16100 | EKL1-63-1N16300 |
| 25A | EKL1-63-1N2530 | EKL1-63-1N25100 | EKL1-63-1N25300 | ||
| 32A | EKL1-63-1N3230 | EKL1-63-1N32100 | EKL1-63-1N32300 | ||
| 40A | EKL1-63-1N4030 | EKL1-63-1N40100 | EKL1-63-1N40300 | ||
| 50A | EKL1-63-1N5030 | EKL1-63-1N50100 | EKL1-63-1N50300 | ||
| 63A | EKL1-63-1N6330 | EKL1-63-1N63100 | EKL1-63-1N63300 | ||
| 3P+N | 16A | EKL1-63-3N1630 | EKL1-63-3N16100 | EKL1-63-3N16300 | |
| 25A | EKL1-63-3N2530 | EKL1-63-3N25100 | EKL1-63-3N25300 | ||
| 32A | EKL1-63-3N3230 | EKL1-63-3N32100 | EKL1-63-3N32300 | ||
| 40A | EKL1-63-3N4030 | EKL1-63-3N40100 | EKL1-63-3N40300 | ||
| 50A | EKL1-63-3N5030 | EKL1-63-3N50100 | EKL1-63-3N50300 | ||
| 63A | EKL1-63-3N6330 | EKL1-63-3N63100 | EKL1-63-3N63300 | ||
| 10KA | 1P+N | 16A | EKL1-63H-1N1630 | EKL1-63-1N16100A | EKL1-63-1N16300A |
| 25A | EKL1-63H-1N2530 | EKL1-63H-1N16100 | EKL1-63H-1N16300 | ||
| 32A | EKL1-63H-1N3230 | EKL1-63H-1N25100 | EKL1-63H-1N25300 | ||
| 40A | EKL1-63H-1N4030 | EKL1-63H-1N32100 | EKL1-63H-1N32300 | ||
| 50A | EKL1-63H-1N5030 | EKL1-63H-1N40100 | EKL1-63H-1N40300 | ||
| 63A | EKL1-63H-1N6330 | EKL1-63H-1N50100 | EKL1-63H-1N50300 | ||
| 3P+N | 16A | EKL1-63H-3N1630 | EKL1-63H-3N16100 | EKL1-63H-3N16300 | |
| 25A | EKL1-63H-3N2530 | EKL1-63H-3N25100 | EKL1-63H-3N25300 | ||
| 32A | EKL1-63H-3N3230 | EKL1-63H-3N32100 | EKL1-63H-3N32300 | ||
| 40A | EKL1-63H-3N4030 | EKL1-63H-3N40100 | EKL1-63H-3N40300 | ||
| 50A | EKL1-63H-3N5030 | EKL1-63H-3N50100 | EKL1-63H-3N50300 | ||
| 63A | EKL1-63H-3N6330 | EKL1-63H-3N63100 | EKL1-63H-3N63300 | ||
| Capacidade de quebra | Polacos | Corrente nominal(A) | Tipo A | ||
| Sensibilidade | |||||
| 30mA | 100mA | 300mA | |||
| 6KA | 1P+N | 16A | EKL1-63-1N1630A | EKL1-63-1N16100A | EKL1-63-1N16300A |
| 25A | EKL1-63-1N2530A | EKL1-63-1N25100A | EKL1-63-1N25300A | ||
| 32A | EKL1-63-1N3230A | EKL1-63-1N32100A | EKL1-63-1N32300A | ||
| 40A | EKL1-63-1N4030A | EKL1-63-1N40100A | EKL1-63-1N40300A | ||
| 50A | EKL1-63-1N5030A | EKL1-63-1N50100A | EKL1-63-1N50300A | ||
| 63A | EKL1-63-1N6330A | EKL1-63-1N63100A | EKL1-63-1N63300A | ||
| 3P+N | 16A | EKL1-63-3N1630A | EKL1-63-3N16100A | EKL1-63-3N16300A | |
| 25A | EKL1-63-3N2530A | EKL1-63-3N25100A | EKL1-63-3N25300A | ||
| 32A | EKL1-63-3N3230A | EKL1-63-3N32100A | EKL1-63-3N32300A | ||
| 40A | EKL1-63-3N4030A | EKL1-63-3N40100A | EKL1-63-3N40300A | ||
| 50A | EKL1-63-3N5030A | EKL1-63-3N50100A | EKL1-63-3N50300A | ||
| 63A | EKL1-63-3N6330A | EKL1-63-3N63100A | EKL1-63-3N63300A | ||
| 10KA | 1P+N | 16A | EKL1-63H-1N1630A | EKL1-63H-1N16100A | EKL1-63H-1N16300A |
| 25A | EKL1-63H-1N2530A | EKL1-63H-1N25100A | EKL1-63H-1N25300A | ||
| 32A | EKL1-63H-1N3230A | EKL1-63H-1N32100A | EKL1-63H-1N32300A | ||
| 40A | EKL1-63H-1N4030A | EKL1-63H-1N40100A | EKL1-63H-1N40300A | ||
| 50A | EKL1-63H-1N5030A | EKL1-63H-1N50100A | EKL1-63H-1N50300A | ||
| 63A | EKL1-63H-1N6330A | EKL1-63H-1N63100A | EKL1-63H-1N63300A | ||
| 3P+N | 16A | EKL1-63H-3N1630A | EKL1-63H-3N16100A | EKL1-63H-3N16300A | |
| 25A | EKL1-63H-3N2530A | EKL1-63H-3N25100A | EKL1-63H-3N25300A | ||
| 32A | EKL1-63H-3N3230A | EKL1-63H-3N32100A | EKL1-63H-3N32300A | ||
| 40A | EKL1-63H-3N4030A | EKL1-63H-3N40100A | EKL1-63H-3N40300A | ||
| 50A | EKL1-63H-3N5030A | EKL1-63H-3N50100A | EKL1-63H-3N50300A | ||
| 63A | EKL1-63H-3N6330A | EKL1-63H-3N63100A | EKL1-63H-3N63300A | ||
