● Padrão: IEC61008-1
● Tipo: AC, A
● Corrente nominal: 25~80A
● Tensão nominal: 230/400V~240/415V
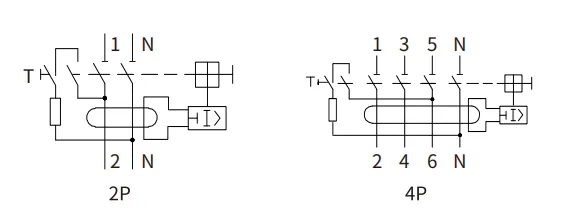
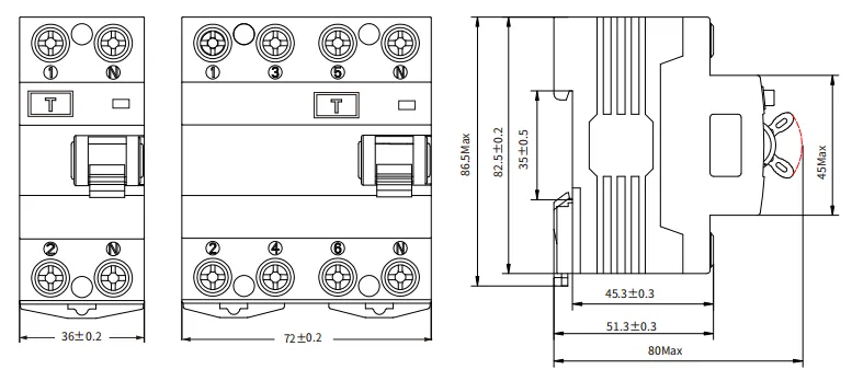
● Pólos: 2P(1P+N), 4P(3P+N), Pólo N à direita
● Sensibilidade nominal I△n: 30mA, 100 mA, 300mA
● Temperatura do ar ambiente: -25...+40 ºC
● Certificados: CB, CE
● Marketing: Ásia Central, Rússia, América do Sul
EKL1-80 adequado para circuitos com tensão nominal de 240 V para dois polos, 415 V para quatro polos e corrente nominal de até 80 A. Quando o choque elétrico pessoal ou a corrente de fuga da rede elétrica excede o valor especificado, o RCCB pode cortar rapidamente o fornecimento de energia defeituoso em um tempo muito curto para proteger a segurança da pessoa e do equipamento elétrico.
|
Padrão |
IEC/EN61008-1 |
||
|
Proteção |
Falha de aterramento |
||
|
Tipo de viagem |
Eletromagnético |
||
|
Tipo de proteção (vazamento elétrico) |
CA, A, G, S |
||
|
Nº de postes |
2P(1P+N), 4P(3P+N), Pólo N à direita |
||
| Corrente nominal em | 25,40,63,80A | ||
|
Correntes de sensibilidade nominais I△n |
30,100,300mA |
||
|
Tempo de desligamento da corrente residual sob I△n |
≤0,1s |
||
|
Capacidade residual nominal de fabricação e quebra (I△m) |
500A (em ≤ 50A), 10A (em > 50A) |
||
| Tensão nominal Ue |
1P+N: 230/240V~, 3P+N: 400/415V~ |
||
| Frequência nominal | 50/60Hz | ||
|
Capacidade de interrupção nominal
|
6.000 A, 10.000 A | ||
|
Fusível SCPD |
6kA (EKL1-80),10kA (EKL1-80H) | ||
| Tensão de impulso nominal suportada (1,5/50) Uimp | 4000 V | ||
| Tensão de teste dielétrico em frequência ind. por 1min | 2,5 kV | ||
| Vida elétrica | 2.000 ciclos | ||
| Vida mecânica | 4.000 ciclos | ||
| Indicador de posição de contato | Sim | ||
| Grau de proteção | IP20 | ||
| Temperatura ambiente |
-25℃ a 40℃, Máx.95% de umidade |
||
| Tipo de conexão do terminal |
Barramento tipo cabo/pino/barramento tipo U |
||
|
Tamanho máximo do terminal para cabo |
25mm 2 | ||
|
Torque de aperto máx. |
2,5 Nm | ||
|
Instalação |
Montagem em trilho DIN de 35 mm |
||
| Conexão |
De cima para baixo |
||


| Tipo CA | |||||
| Capacidade de quebra | Polacos | Corrente de classificação(A) | Sensibilidade | ||
| 6KA | 30mA | 100mA | 300mA | ||
| 1P+N | 25A | EKL1-80-1N2530 | EKL1-80-1N25100 | EKL1-80-1N25300 | |
| 40A | EKL1-80-1N4030 | EKL1-80-1N40100 | EKL1-80-1N40300 | ||
| 63A | EKL1-80-1N6330 | EKL1-80-1N63100 | EKL1-80-1N63300 | ||
| 80A | EKL1-80-1N8030 | EKL1-80-1N80100 | EKL1-80-1N80300 | ||
| 3P+N | 25A | EKL1-80-3N2530 | EKL1-80-3N25100 | EKL1-80-1N25300 | |
| 40A | EKL1-80-3N4030 | EKL1-80-3N40100 | EKL1-80-1N40300 | ||
| 63A | EKL1-80-3N6330 | EKL1-80-3N63100 | EKL1-80-1N63300 | ||
| 80A | EKL1-80-3N8030 | EKL1-80-3N80100 | EKL1-80-1N80300 | ||
| 10KA | 1P+N | 25A | EKL1-80H-1N2530 | EKL1-80H-1N25100 | EKL1-80H-1N25300 |
| 40A | EKL1-80H-1N4030 | EKL1-80H-1N40100 | EKL1-80H-1N40300 | ||
| 63A | EKL1-80H-1N6330 | EKL1-80H-1N63100 | EKL1-80H-1N63300 | ||
| 80A | EKL1-80H-1N8030 | EKL1-80H-1N80100 | EKL1-80H-1N80300 | ||
| 3P+N | 25A | EKL1-80H-3N2530 | EKL1-80H-3N25100 | EKL1-80H-3N25300 | |
| 40A | EKL1-80H-3N4030 | EKL1-80H-3N40100 | EKL1-80H-3N40300 | ||
| 63A | EKL1-80H-3N6330 | EKL1-80H-3N63100 | EKL1-80H-3N63300 | ||
| 80A | EKL1-80H-3N8030 | EKL1-80H-3N80100 | EKL1-80H-3N80300 | ||
| A Type | |||||
| Breaking capacity | Poles | Rated Current(A) | Sensitivity | ||
| 30mA | 100mA | 300mA | |||
| 6KA | 1P+N | 25A | EKL1-80-1N2530A | EKL1-80-1N25100A | EKL1-80-1N25300A |
| 40A | EKL1-80-1N4030A | EKL1-80-1N40100A | EKL1-80-1N40300A | ||
| 63A | EKL1-80-1N6330A | EKL1-80-1N63100A | EKL1-80-1N63300A | ||
| 80A | EKL1-80-1N8030A | EKL1-80-1N80100A | EKL1-80-1N80300A | ||
| 3P+N | 25A | EKL1-80-3N2530A | EKL1-80-3N25100A | EKL1-80-3N25300A | |
| 40A | EKL1-80-3N4030A | EKL1-80-3N40100A | EKL1-80-3N40300A | ||
| 63A | EKL1-80-3N6330A | EKL1-80-3N63100A | EKL1-80-3N63300A | ||
| 80A | EKL1-80-3N8030A | EKL1-80-3N80100A | EKL1-80-3N80300A | ||
| 10KA | 1P+N | 25A | EKL1-80H-1N2530A | EKL1-80H-1N25100A | EKL1-80H-1N25300A |
| 40A | EKL1-80H-1N4030A | EKL1-80H-1N40100A | EKL1-80H-1N40300A | ||
| 63A | EKL1-80H-1N6330A | EKL1-80H-1N63100A | EKL1-80H-1N63300A | ||
| 80A | EKL1-80H-1N8030A | EKL1-80H-1N80100A | EKL1-80H-1N80300A | ||
| 3P+N | 25A | EKL1-80H-3N2530A | EKL1-80H-3N25100A | EKL1-80H-3N25300A | |
| 40A | EKL1-80H-3N4030A | EKL1-80H-3N40100A | EKL1-80H-3N40300A | ||
| 63A | EKL1-80H-3N6330A | EKL1-80H-3N63100A | EKL1-80H-3N63300A | ||
| 80A | EKL1-80H-3N8030A | EKL1-80H-3N80100A | EKL1-80H-3N80300A | ||
