● Norma: IEC/EN 61643-11
● Classificação de surto: Imax=40kA (8/20 µs)
● Categoria IEC/EN: Tipo 2/Classe II
● Tensão máxima de operação contínua: 275, 320, 385, 440 V
● Carcaça: Design Plugável
Os dispositivos modulares de proteção contra surtos EKU4-T2-40 Tipo 2 Imax 40kA oferecem proteção para equipamentos conectados a fontes de alimentação CA de baixa tensão, protegendo contra sobretensão transitória causada por raios locais ou pela comutação de cargas elétricas indutivas ou capacitivas.
O módulo N-PE e o módulo LN fazem uma distinção mecânica fornecida para evitar combinações incorretas de módulos SPD plug-in e soquetes em conformidade com as disposições relevantes de 7.3.1 no padrão IEC61643-11. Por exemplo, o cartucho do modo N-PE (consiste em tubo de descarga de gás) pode ser conectado no modo LN (consiste em varistor), isso pode levar a situações perigosas, como surto de incêndio.
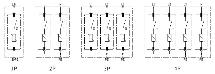
| Nº de postes | 1P | 2P | 3P | 4P | 1P+NPE | 3P+NPE |
| Sistemas de rede | TN-S, TN-C, TT (apenas LN) | TN-S | TN-C | TN-S | TT, TN-S | |
| Modo de proteção | L-PE, N-PE (apenas TN-S), L-PEN, LN | L-PE, N-PE | L-PEN | L-PE, N-PE | LN, N-PE | |
| Elementos de proteção | MOV de alta energia | MOV e GDT de alta energia | ||||
| Tensão máxima de operação contínua (LN) | Uc | 275 V | 320V | 385V | 440 V |
| Tensão máxima de operação contínua (N-PE) | Uc | 255 V | |||
| Corrente de descarga normal (8/20μs) (LN)/(N-PE) | Em | 20kA | |||
| Corrente de descarga máxima (8/20μs) (LN)/(N-PE) | Imax | 40kA | |||
| Nível de proteção de tensão (LN)/(N-PE) | Acima | 1,3 kV/1,5 kV | 1,5 kV/1,5 kV | 1,8 kV/1,5 kV | 2,0 kV/1,5 kV |
| Nível de proteção de tensão 5kA | Acima | 1,0 kV | 1,2 kV | 1,4 kV | 1,6 kV |
| Tempo de resposta (LN)/(N-PE) | tA | ≤25 ns/≤100 ns | |||
| Faixa de temperatura operacional | Você | -40℃ a +80℃ | |||
| Máx. Fusível de reserva | 125 A gL/gG | ||||
| Estado operacional/indicação de falha | Verde/Vermelho(LN),Amarelo(N-PE) | ||||
| Área da seção transversal (mín.)/(máx.) | 4 mm²/35 mm² | ||||
| Montagem | Trilho DIN 35 mm, EN 60715 | ||||
| Material do gabinete | Plástico térmico UL94-V0 | ||||
| Grau de proteção | IP20 (embutido) | ||||



| Nº de polacos | Máximo. Tensão CA Operacional Contínua | |||
| 275V | 320V | 385V | 440V | |
| 1P | EKU5-T2-40-1P275 | EKU5-T2-40-1P320 | EKU5-T2-40-1P385 | EKU5-T2-40-1P440 |
| 2P | EKU5-T2-40-2P275 | EKU5-T2-40-2P320 | EKU5-T2-40-2P385 | EKU5-T2-40-2P440 |
| 3P | EKU5-T2-40-3P275 | EKU5-T2-40-3P320 | EKU5-T2-40-3P385 | EKU5-T2-40-3P440 |
| 4P | EKU5-T2-40-4P275 | EKU5-T2-40-4P320 | EKU5-T2-40-4P385 | EKU5-T2-40-4P440 |
| 1P+NPE | EKU5-T2-40-1PN275 | EKU5-T2-40-1PN320 | EKU5-T2-40-1PN385 | EKU5-T2-40-1PN440 |
| 3P+NPE | EKU5-T2-40-3PN275 | EKU5-T2-40-3PN320 | EKU5-T2-40-3PN385 | EKU5-T2-40-3PN440 |
| Com sinalização remota | ||||
| 1P | EKU5-T2-40-1P275S | EKU5-T2-40-1P320S | EKU5-T2-40-1P385S | EKU5-T2-40-1P440S |
| 2P | EKU5-T2-40-2P275S | EKU5-T2-40-2P320S | EKU5-T2-40-2P385S | EKU5-T2-40-2P440S |
| 3P | EKU5-T2-40-3P275S | EKU5-T2-40-3P320S | EKU5-T2-40-3P385S | EKU5-T2-40-3P440S |
| 4P | EKU5-T2-40-4P275S | EKU5-T2-40-4P320S | EKU5-T2-40-4P385S | EKU5-T2-40-4P440S |
| 1P+NPE | EKU5-T2-40-1PN275S | EKU5-T2-40-1PN320S | EKU5-T2-40-1PN385S | EKU5-T2-40-1PN440S |
| 3P+NPE | EKU5-T2-40-3PN275S | EKU5-T2-40-3PN320S | EKU5-T2-40-3PN385S | EKU5-T2-40-3PN440S |
