● Norma: IEC/EN 61643-31
● Classificação de surto: Iimp=6,25 kA (10/350 µs), Imax=40 kA (8/20 µs)
● Categoria IEC/EN: Classe I+II / Tipo 1+2
● Tensão operacional contínua máxima (Ucpv): 500, 1000,1500V
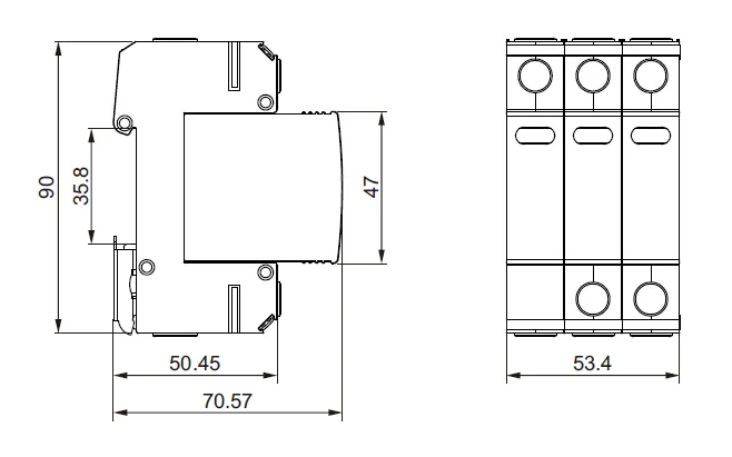
● Carcaça: Design Plugável
A série EKU5 T1+T2 DC Surge Protector foi projetada para uso em aplicações fotovoltaicas (PV) de até 1500 V. Esses dispositivos de proteção contra surtos (SPDs) estão em conformidade com a classificação PV T1+T2 descrita no padrão IEC 61643-31. A janela frontal de indicação ajuda os usuários a saber o status do dispositivo e a porta de sinal remoto pode fornecer indicação e alarme remotos. Além disso, o design do módulo plug-in facilita a manutenção e a substituição posteriores.
| Nº de postes | 3P | |||
| Localização de uso | Caixa de cordas, Inversor | |||
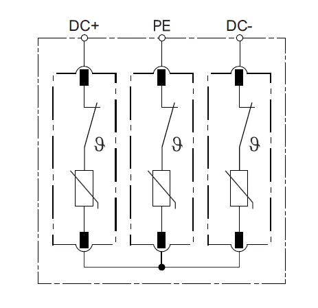
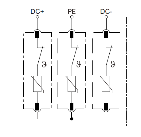
| Modo de proteção | (DC+)-PE,(DC-)-PE,(DC+)-(DC-) | |||
| Elementos de proteção | MOV de alta energia | |||
| Tensão CC máxima de operação contínua | UCPV | 500 V | 1000 V | 1500 V |
| Corrente de descarga normal (8/20μs) | Em | 20kA | ||
| Corrente de descarga de impulso (10/350μs) | Eu imploro | 6,25kA | ||
| Corrente de descarga total (10/350μs) | ITotal | 12,5kA | ||
| Corrente de descarga total (8/20μs) | ITotal | 40kA | ||
| Corrente máxima de descarga (8/20μs) | Imax | 40kA | ||
| Nível de proteção de tensão (DC+)-PE,(DC-)-PE | Acima | 2kV | 4,0 kV | 5,2 kV |
| Nível de proteção de tensão (DC+)-(DC-) | Acima | / | 4,0 kV | 5,2 kV |
| Tempo de resposta | tA | ≤25ns | ||
| Faixa de temperatura operacional | Você | -40℃ a +80℃ | ||
| Estado operacional/indicação de falha | Verde/Vermelho | |||
| Área da seção transversal (mín.)/(máx.) | 4 mm²/35 mm² | |||
| Montagem | Trilho DIN 35 mm, EN 60715 | |||
| Material do gabinete | Plástico térmico UL94-V0 | |||
| Grau de proteção | IP20 (embutido) | |||


|
Nº de polacos
|
Máximo. Tensão DC Operacional Contínua | ||
|
500V
|
1000V | 1500V | |
| 3Módulo |
EKU5-T1+T2-40PV-3M500
|
EKU5-T1+T2-40PV-3M1000 | EKU5-T1+T2-40PV-3M1500 |
| Com sinalização remota | |||
| 3Módulo |
EKU5-T1+T2-40PV-3M500S
|
EKU5-T1+T2-40PV-3M1000S | EKU5-T1+T2-40PV-3M1500S |
