● Norma: IEC/EN 61643-31
● Classificação de surto: Imax=40kA (8/20 µs)
● Nível de proteção de tensão (Up): <5,2kV
● Categoria IEC/EN: Classe II / Tipo 2
● Tensão operacional contínua máxima (Ucpv): 600, 1000,1500V
● Carcaça: Design Plugável
A série EKU5-T2-40PV é um protetor contra surtos fotovoltaicos multipolo plugável (SPD) Tipo 2, projetado para uso em aplicações solares fotovoltaicas. Ele é instalado no lado CC para proteger dispositivos terminais em um sistema fotovoltaico, como painéis solares e inversores, dos efeitos de correntes de surto de raios.
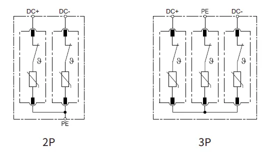
| Nº de postes | 2P(2Mods),3P(3Mods) | |||
| Localização de uso | Caixa de cordas, Inversor | |||
| Modo de proteção | (DC+)-PE,(DC-)-PE,(DC+)-(DC-) | |||
| Elementos de proteção | MOV de alta energia | |||
| Tensão CC máxima de operação contínua | UCPV | 600 V | 1000 V | 1500 V |
| Corrente de descarga normal (8/20μs) | Em | 20kA | ||
| Corrente de descarga total (8/20μs) | ITotal | 40kA | ||
| Corrente máxima de descarga (8/20μs) | Imax | 40kA | ||
| Nível de proteção de tensão (2P) | Acima | 2,6 kV | 4,0 kV | / |
| Nível de proteção de tensão (3P) | Acima | / | 4,0 kV | 5,2 kV |
| Tempo de resposta | tA | ≤25ns | ||
| Faixa de temperatura operacional | Você | -40℃ a +80℃ | ||
| Estado operacional/indicação de falha | Verde/Vermelho | |||
| Área da seção transversal (mín.)/(máx.) | 4 mm²/35 mm² | |||
| Montagem | Trilho DIN 35 mm, EN 60715 | |||
| Material do gabinete | Plástico térmico UL94-V0 | |||
| Grau de proteção | IP20 (embutido) | |||


| Nº de polacos | Máximo. Tensão DC Operacional Contínua | ||
|
600VDC |
1000VDC |
1500VDC |
|
| 2Módulo |
EKU5-T2-40PV-2M600 |
EKU5-T2-40PV-2M1000 |
- |
| 3Módulo |
- |
EKU5-T2-40PV-3M1000 |
EKU5-T2-40PV-3M1500 |
| Com sinalização remota | |||
| 2Módulo |
EKU5-T2-40PV-2M600S |
EKU5-T2-40PV-2M1000S |
- |
| 3Módulo | - |
EKU5-T2-40PV-3M1000S |
EKU5-T2-40PV-3M1500S |
