● Padrão: IEC60898-1
● Tipo de viagem: Termomagnética
● Corrente nominal: 1~63A
● Tensão nominal: 230/400V~240/415V
● Número de pólos: 1P,2P,3P,4P,1P+N,3P+N
● Capacidade de interrupção de curto-circuito nominal: 6kA
● Curva de disparo: B, C, D
● Temperatura do ar ambiente: -25...+40 ºC
● Conexão: De cima para baixo
● Certificados: CB, CE, UKCA, Inmetro
O EKM2-63 MCB tem uma vida útil muito maior graças ao mecanismo operacional de armazenamento de energia; Gabinete e peças funcionais feitos de plástico importado com propriedades retardantes de chamas, resistentes ao calor e à prova de impulsos; Maior capacidade de limitação de corrente, garantindo uma gama de produtos com boa relação custo-benefício.
| Padrão | IEC/EN60898-1 |
| Proteção | Sobrecorrente e curto-circuito |
| Tipo de viagem | Termomagnético |
| Corrente nominal em | 1,2,3,4,5,6,10,16,20,25,32,40,50,63A |
| Poloneses | 1P, 1P+N, 2P, 3P,3P+N, 4P |
| Tensão nominal Ue | 240/415V~ |
| Tensão de isolamento Ui | 500 V |
| Frequência nominal | 50/60Hz |
| Capacidade de interrupção nominal | 6.000 A |
| Classe de limitação de energia | 3 |
| Tensão de impulso suportável nominal (1,2/50) Uimp | 4.000 V |
| Tensão de teste dielétrico em frequência ind. por 1 min | 2kV |
| Característica de liberação térmica | (1,13-1,45) x Em |
| Característica de liberação magnética | B:(3-5) x Em, C:(5-10) x Em, D:(10-20) x Em |
| Vida elétrica | 4.000 ciclos |
| Vida mecânica | 10.000 ciclos |
| Indicador de posição de contato | Sim |
| Grau de proteção | IP20 |
| Temperatura ambiente (com média diária ≤35℃) | -5℃~+40℃, Máx. 95% de umidade |
| Tipo de conexão do terminal | Barramento tipo cabo/pino |
| Tamanho máximo do terminal para cabo | 25mm 2 |
| Torque de aperto máx. | 2,5 Nm |
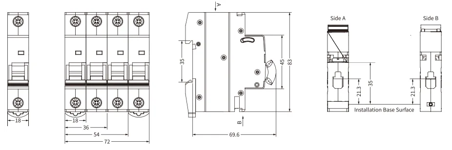
| Instalação | Montagem em trilho DIN de 35 mm |
| Conexão | De cima para baixo |


